Curiosii for ever!
: Car repair manuals for everyone.
Home
>>
Lexus Truck
>>
2001
>>
LX 470 V8-4.7L (2UZ-FE)
>>
Repair and Diagnosis
>>
Relays and Modules
>>
Relays and Modules - Powertrain Management
>>
Relays and Modules - Computers and Control Systems
>>
Body Control Module
>>
Testing and Inspection
>>
Component Tests and General Diagnostics
>>
Park/Neutral Position Switch Circuit
Park/Neutral Position Switch Circuit
Park/Neutral Position Switch Circuit
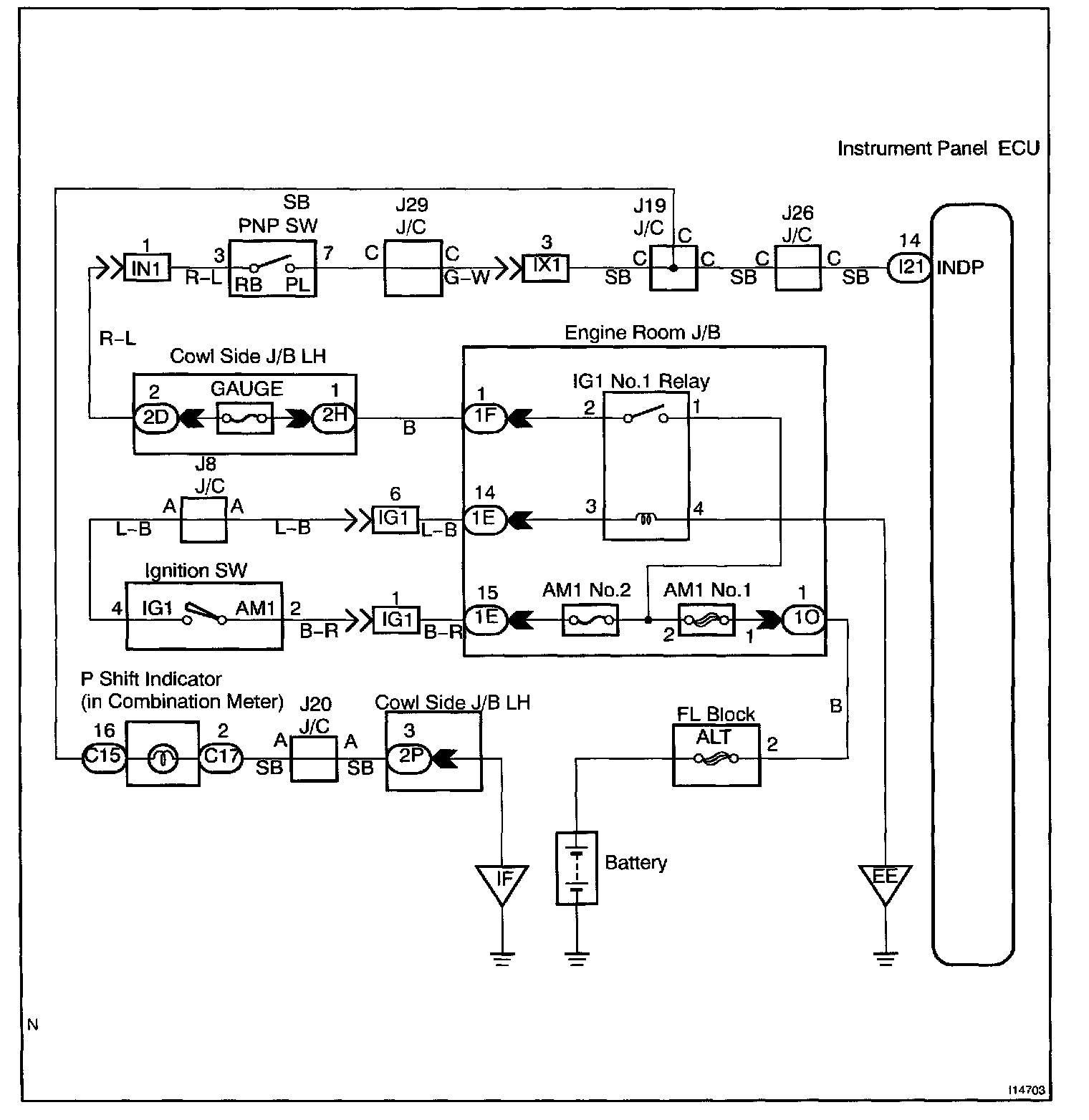
CIRCUIT DESCRIPTION
The park/neutral position switch detects the shift lever position P and sends signals to the Body ECU.
Wiring Diagram:
Steps 1 - 2:
INSPECTION PROCEDURE