Curiosii for ever!
: Car repair manuals for everyone.
Home
>>
Lexus Truck
>>
2001
>>
LX 470 V8-4.7L (2UZ-FE)
>>
Repair and Diagnosis
>>
Powertrain Management
>>
Computers and Control Systems
>>
Relays and Modules - Computers and Control Systems
>>
Body Control Module
>>
Testing and Inspection
>>
Component Tests and General Diagnostics
>>
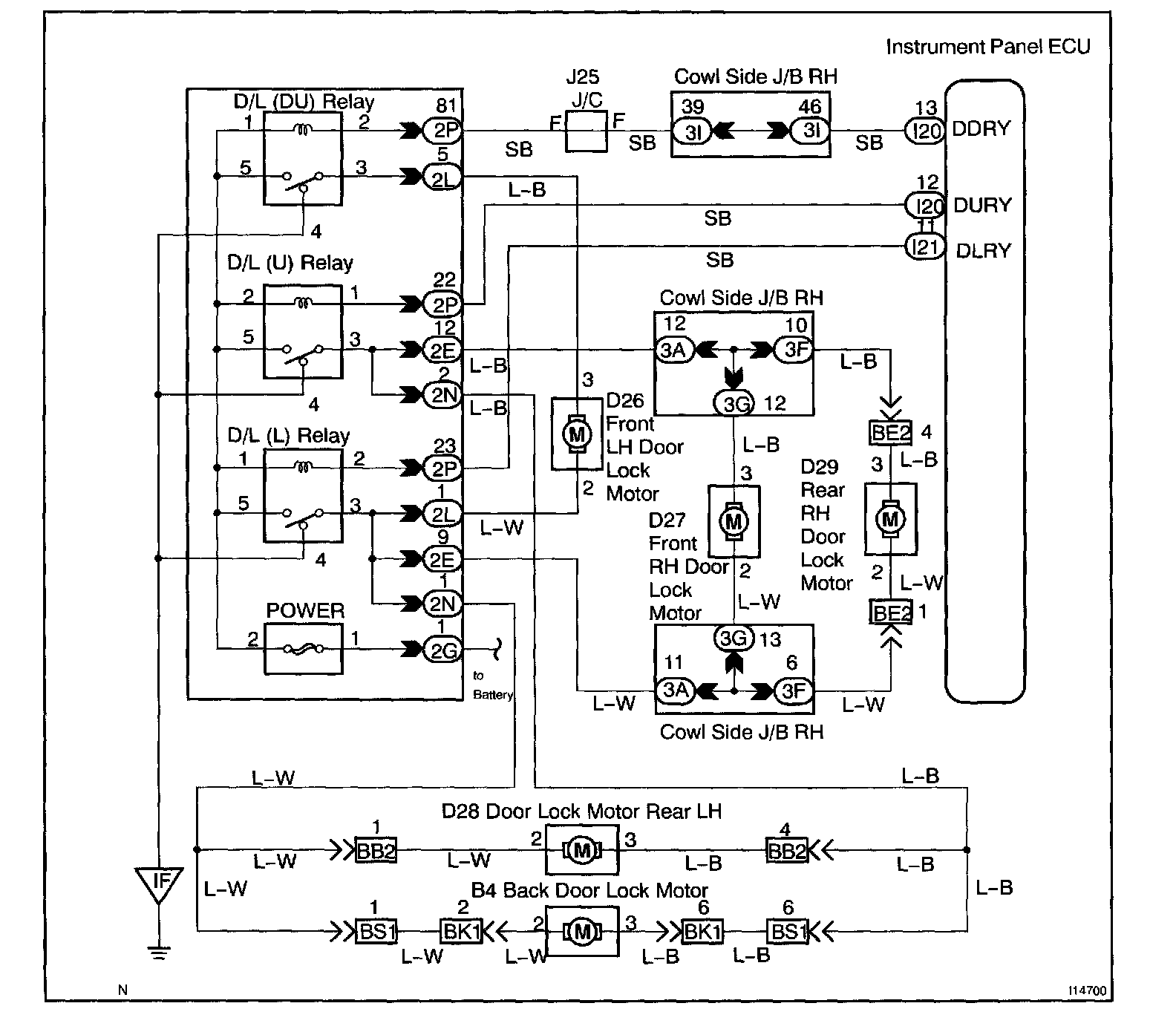
Door Lock Motor and Relay Circuit
Door Lock Motor and Relay Circuit
Door Lock Motor and Relay Circuit
Wiring Diagram:
Steps 1 - 3:
INSPECTION PROCEDURE