Curiosii for ever!
: Car repair manuals for everyone.
Home
>>
Lexus Truck
>>
2000
>>
RX 300 AWD V6-3.0L (1MZ-FE)
>>
Repair and Diagnosis
>>
Powertrain Management
>>
Computers and Control Systems
>>
Body Control Module
>>
Testing and Inspection
>>
Component Tests and General Diagnostics
>>
Driver Buckle Switch Circuit
Driver Buckle Switch Circuit
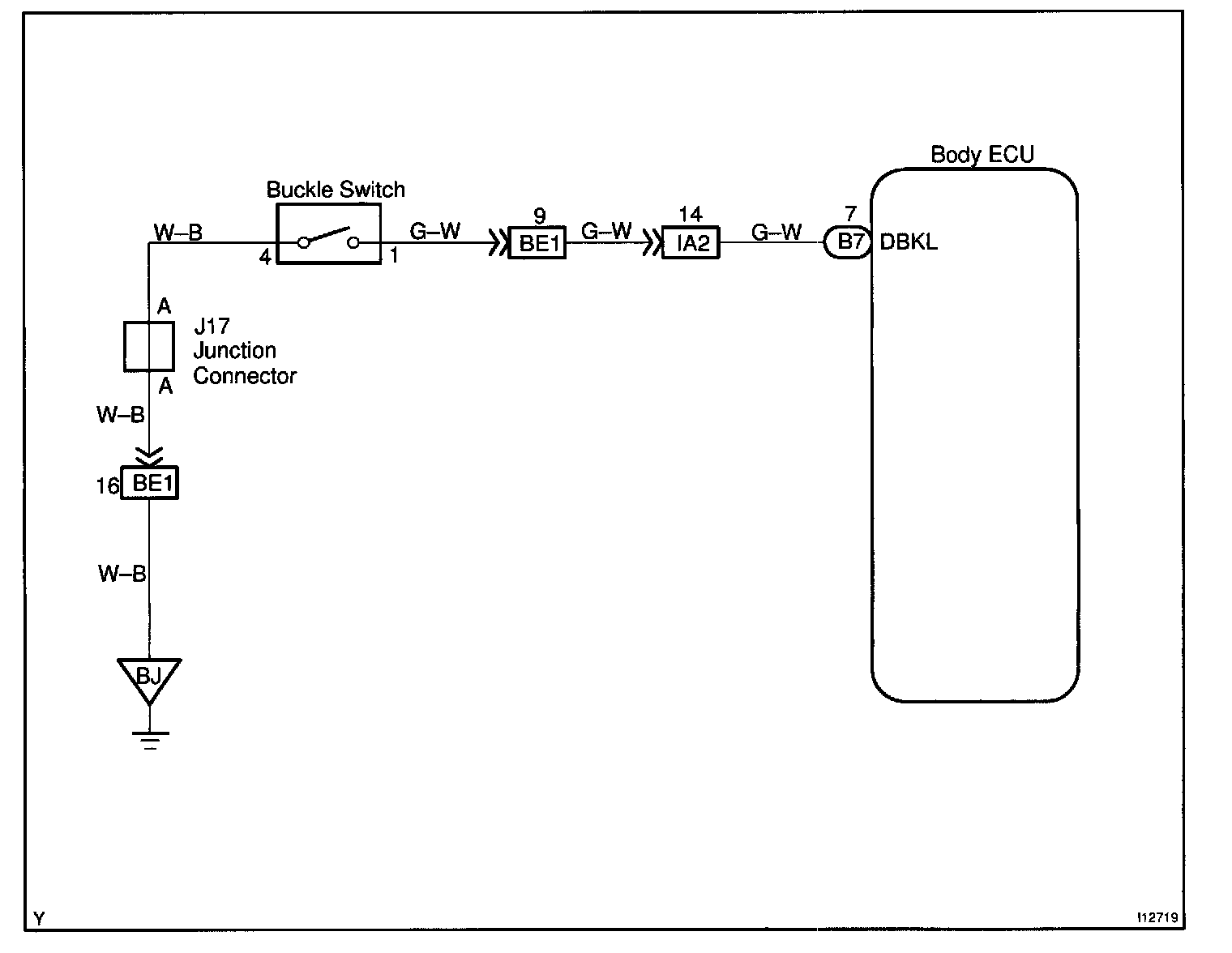
Wiring Diagram:
Steps 1 - 3:
INSPECTION PROCEDURE