Curiosii for ever!
: Car repair manuals for everyone.
Home
>>
Lexus Truck
>>
2000
>>
RX 300 AWD V6-3.0L (1MZ-FE)
>>
Repair and Diagnosis
>>
Diagrams
>>
Exploded Views
>>
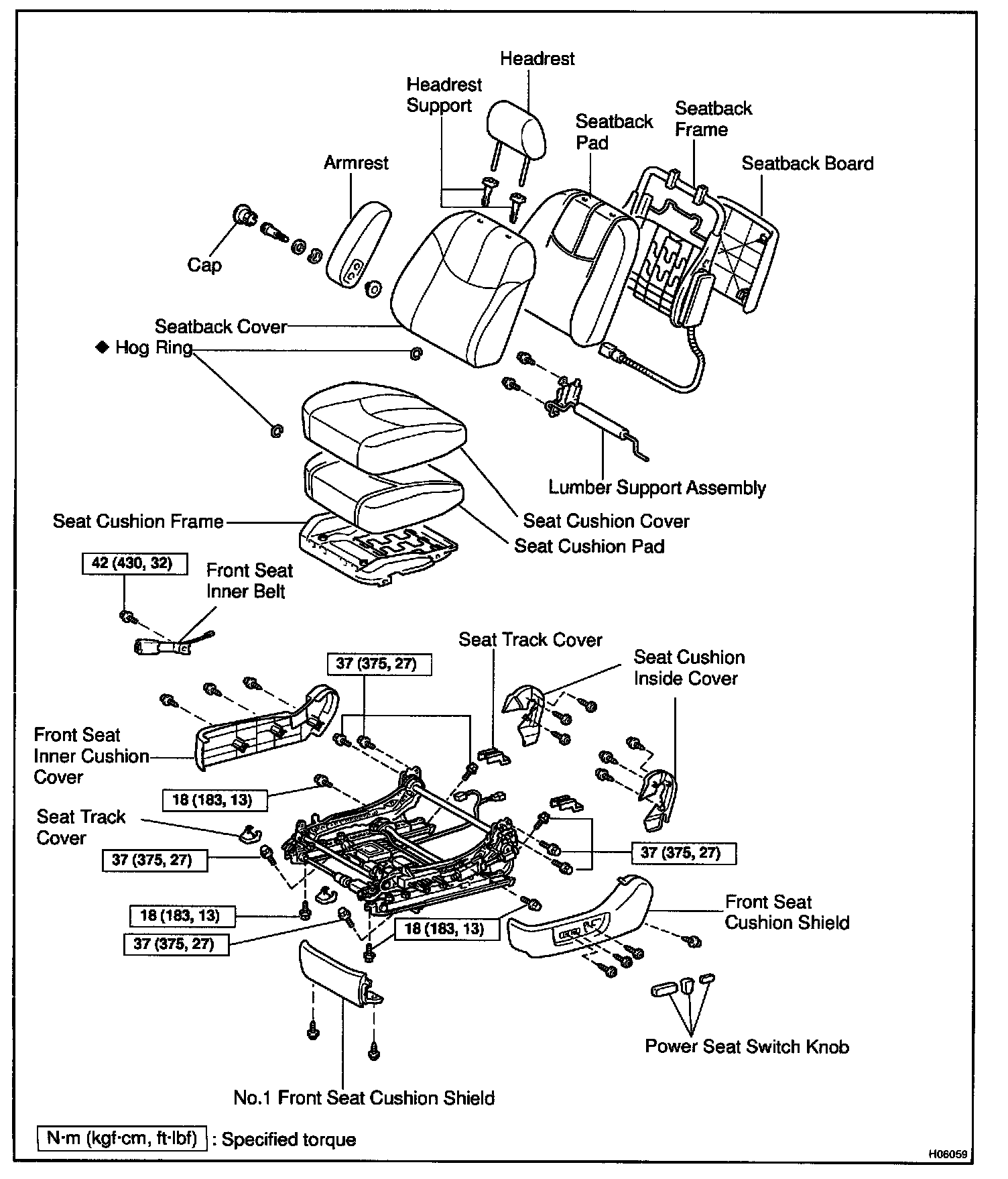
Seats
Seats
Front Seat:
Front Seat:
Rear Seat (LH):
Rear Seat (RH):