Curiosii for ever!
: Car repair manuals for everyone.
Home
>>
Lexus Truck
>>
2000
>>
RX 300 AWD V6-3.0L (1MZ-FE)
>>
Repair and Diagnosis
>>
Diagrams
>>
Exploded Views
>>
Engine
>>
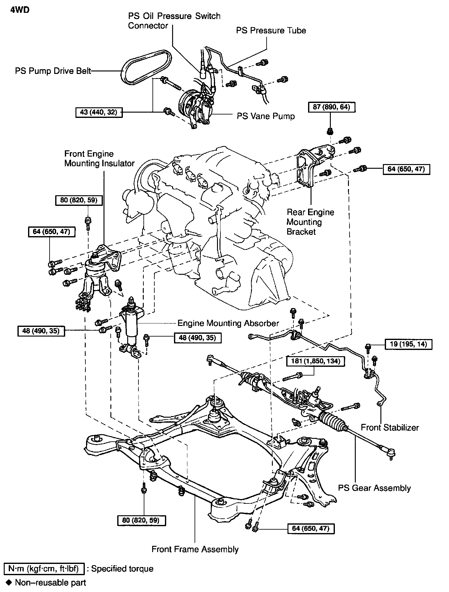
System Diagram
System Diagram
UNDERHOOD VIEW
Part 1 of 3
Part 2 of 3
Part 3 of 3
ENGINE UNIT REPLACEMENT W/ RELATED COMPONENTS