Curiosii for ever!: Car repair manuals for everyone.

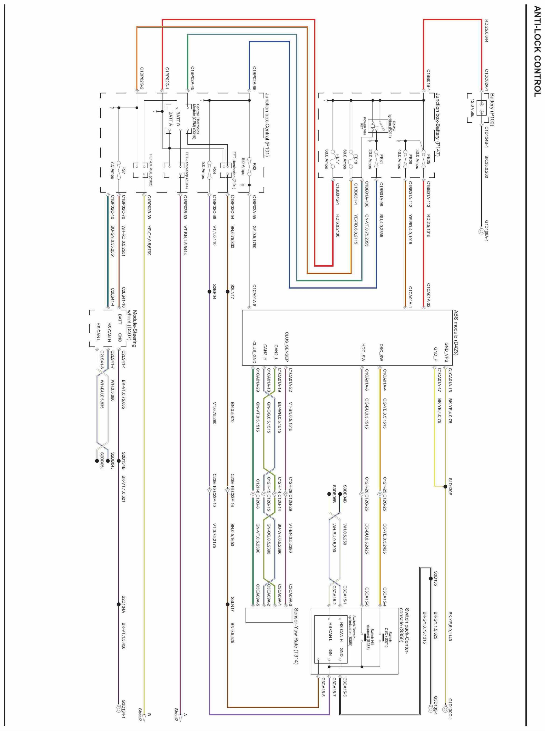
Anti-Lock Control



Anti-Lock Control


Anti-Lock Control (Sheet 1):




Anti-Lock Control (Sheet 2):






Locations: The location views for connectors and components depicted within these diagrams can be found via the connector's base number (i.e. C0570) at Vehicle/Locations/Connectors. Connector Locations

Connector Views: The connector pin out views for connectors depicted within these diagrams can be found via the connector's base number (i.e. C0570) at Vehicle/Diagrams/Connector Views. Connector Views