Curiosii for ever!: Car repair manuals for everyone.

Part 2



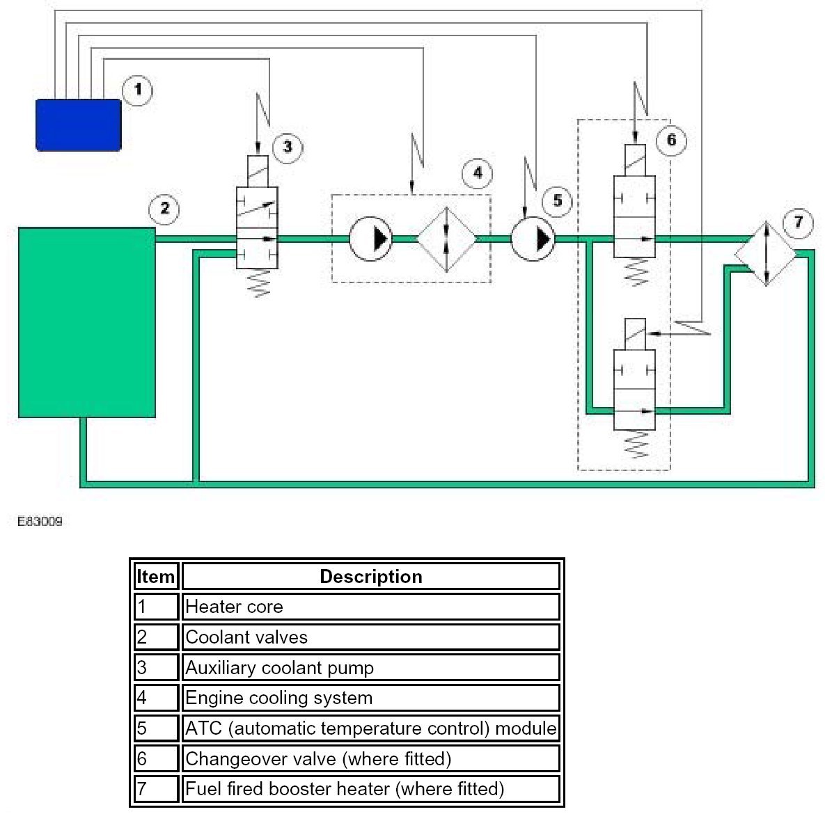
CONTROL DIAGRAM - SHEET 1 OF 2







CONTROL DIAGRAM - SHEET 2 OF 2







PRINCIPLES OF OPERATION
The system operates on the reheat principle. Air entering the heater assembly is cooled to a constant value by the evaporator and then reheated as necessary by the heater core to produce the temperature(s) selected on the control panel.

To determine the various system settings, the ATC (automatic temperature control) module derives a reference value (called the Y factor) from:
- The temperature setting on the control panel.
- The ambient temperature.
- The in-vehicle temperature.

The reference value is measured in %, where -27.5% means maximum cooling is required and 100% means maximum heating is required. Separate reference values are produced for the LH (left-hand) and RH (right-hand) sides of the heater assembly.

The reference value is used for temperature control. The driver's side reference value is also used for door positioning and blower speed calculations.

When the ignition is turned off the ATC (automatic temperature control) module memorizes the system settings and resumes the same settings the next time the ignition is switched on.

A/C Compressor Control
The A/C (air conditioning) compressor is engaged by pressing either;
- the automatic mode switch
- the defrost switch
- the A/C (air conditioning) switch
- or the maximum A/C (air conditioning) switch.

To prevent a dip in engine speed when the engine is at idle or to ensure maximum engine performance at full throttle, the ATC (automatic temperature control) module will not energize the A/C (air conditioning) compressor unless it has permission from the ECM (engine control module). If the ECM (engine control module) determines it can allow A/C (air conditioning) operation, it transmits an 'A/C (air conditioning) allowed' message to the instrument cluster over the high speed CAN (controller area network) bus.

The instrument cluster acts as a gateway to the ATC (automatic temperature control) module. On receipt of the 'A/C (air conditioning) allowed' message from the ECM (engine control module) the instrument cluster will create a ground path on the hardwired connection to the ATC (automatic temperature control) module. If A/C (air conditioning) operation is requested, and the ground path is in place, the ATC (automatic temperature control) module will energize the A/C (air conditioning) compressor.

If the ECM (engine control module) determines it can no longer support A/C (air conditioning) operation it removes the 'A/C (air conditioning) allowed' message. In response to this, the instrument cluster removes the ground path to the ATC (automatic temperature control) module, which in turn de-energizes the A/C (air conditioning) compressor.

The ATC (automatic temperature control) module energizes the A/C (air conditioning) compressor clutch provided the following conditions exist:
- Engine speed is more than 400 rev/min
- Evaporator temperature is more than 3 degrees C (37 degrees F)
- The refrigerant pressure is within limits
- Battery voltage is less than 16 V
- The blower is running
- There are no A/C (air conditioning) related faults detected by the ATC (automatic temperature control) module.

The A/C (air conditioning) compressor remains engaged until selected off or the required conditions no longer exist. If the evaporator temperature decreases to approximately 2 degrees C (36 degrees F) the A/C (air conditioning) compressor is disengaged, then re-engaged when the evaporator temperature increases to more than 3 degrees C (37 degrees F) again. If battery voltage exceeds 16 V for more than 5 seconds the A/C (air conditioning) compressor is disengaged, then re-engaged when voltage decreases to less than 15.8 V.

Engine Idle Speed Control
The ECM (engine control module) will raise the engine idles speed when the following high current applications are switched on:
- Heated rear window.
- Blower, at speed 6 or 7.
- Headlamp main beam.

The engine idle speed increase is also requested if battery voltage decreases to less than 11.4 V. The speed increase request is discontinued when battery voltage increases to more than 12.2 V again.

Engine Cooling Fan Control
The engine's electric cooling fan is controlled by the ECM (engine control module). When the A/C (air conditioning) compressor is engaged the ATC (automatic temperature control) module sends a fan speed message between 0 (off) and 15 (maximum speed) to the ECM, via the K bus, instrument cluster and high speed CAN (controller area network) bus. The ATC (automatic temperature control) module requests the cooling fan on when:

- The vehicle speed is less than 70 km/h (44 mph).
- There is no fault with the A/C (air conditioning) compressor clutch circuit.
- Battery voltage is less than 16 V.

The fan speed requested depends on the pressure in the refrigerant system. The higher the pressure the faster the fan speed that is requested. When vehicle speed increases to more than 80 km/h (50 mph) the ATC (automatic temperature control) module changes the fan speed request to 0 until vehicle speed decreases to less than 70 km/h (44 mph) again.

If battery voltage increases to more than 16 V for 5 seconds the ATC (automatic temperature control) module changes the fan speed to 0 until the voltage decreases to less than 15.8 V.

Temperature Control
To determine the amount of heat required, in the form of coolant flow through the heater, the ATC (automatic temperature control) module compares the reference value with the heater temperature and incorporates a correction factor to compensate for changes of coolant flow rate with engine speed. From the resultant value the ATC (automatic temperature control) module determines the open duration of the coolant valve and outputs the appropriate control signal. On the automatic system, separate values and output signals are generated for each coolant valve to produce the individual temperature control for the LH (left-hand) and RH (right-hand) sides of the cabin.

When the temperature setting on the control panel is set to maximum, the ATC (automatic temperature control) module signals the coolant valve to remain open. When the temperature setting on the control panel is set to minimum, the ATC (automatic temperature control) module signals the coolant valve to remain closed.

On the automatic system, the minimum setting is over-ridden when the defrost program, maximum A/C (air conditioning), rest heating or fuel fired booster heater functions are selected.

Heater Coolant Circuit







Door Control
The position of the ram air doors is automatically controlled by the ATC (automatic temperature control) module. The positions of the recirculation doors and the distribution doors are either automatically controlled by the ATC (automatic temperature control) module or manually controlled by the related switches.

Ram Air Doors
The ATC (automatic temperature control) module progressively closes the ram air doors, in four steps, as vehicle speed increases, and opens them again as vehicle speed decreases. At the maximum closed position, 90% of the fresh air inlet area is closed off. A hysteresis of 15 km/h (9 mph) prevents the ram air doors from hunting at a constant vehicle speed.

Ram Air Door Positions







Recirculation Doors
Unless the recirculation doors are manually selected closed, using the recirculation switch on the control panel or the steering wheel recirculation switch (where fitted), they are normally open, but automatically closed by the ATC (automatic temperature control) module under certain conditions:

Rapid Cooling: For rapid cooling of the cabin, when the A/C (air conditioning) system is selected on, if the driver's side reference value is less than -20% and the ambient temperature is more than 6 degrees C (43 degrees F), the ATC (automatic temperature control) module closes the recirculation doors. The ATC (automatic temperature control) module opens the recirculation doors after 12 minutes (temperate climates) or 20 minutes (hot climates), if the driver's side reference value increases to more than -5% or if the ambient temperature decreases to 6 degrees C (43 degrees F).

Pollution: When the ATC (automatic temperature control) module detects a high level of pollutants, it sets the recirculation doors to the recirculation position for:

- 3 minutes if the A/C (air conditioning) system is in the heating mode.
- 10 minutes if the A/C (air conditioning) system is in the cooling mode.

After the recirculation time period, the ATC (automatic temperature control) module returns the recirculation doors to the fresh air position. After 1 minute, if the pollutants are still present, the ATC (automatic temperature control) module repeats the recirculation cycle.

Ignition Off: If the recirculation doors are in the recirculation position when the ignition is switched off, the ATC (automatic temperature control) module automatically sets them to the fresh air position, to ensure that fresh air is available if a fault occurs with the recirculation door drive circuit at the next ignition on. When the ignition is switched on, the ATC (automatic temperature control) module sets the recirculation doors to the position they were in at ignition off.

Distribution Doors
When a manual distribution selection is made on the control panel, the ATC (automatic temperature control) module moves the distribution doors to preset positions. When the system is in the automatic mode, the ATC (automatic temperature control) module uses maps of the driver's side reference value to determine the position of the distribution doors. Each distribution door has a separate map, and there are separate maps for temperate, hot climates and Japan.

The mapped positions of the face level distribution doors are given a correction factor from the sunlight sensor inputs. The mapped positions of the distribution doors are overridden by special programs, as follows:

Condensation Prevention: To prevent condensation on the windshield, the ATC (automatic temperature control) module closes the windshield doors for 12 seconds each time the engine starts. If a manual distribution selection is made during the 12 seconds, the windshield doors revert to normal control.

The ATC (automatic temperature control) module also closes the windshield doors when the reference value is less than 90% with the recirculation doors closed and the A/C (air conditioning) compressor disengaged.

Cold Start: When the engine starts, if the system is in the automatic mode, the driver's side reference value is 100% and the heater core temperatures is less than 30 degrees C (86 degrees F), the ATC (automatic temperature control) module closes the face level and footwell doors and opens the windshield doors.

Duct Purging: After a cold start, if the system is in the automatic mode and the reference value is 100%, the ATC (automatic temperature control) module keeps the face level doors closed until one of the heater core temperatures exceeds 60 degrees C (140 degrees F). The ATC (automatic temperature control) module then fully opens the face level doors for 25 seconds to purge the ducts of cold air. After the purge the face level doors revert to normal automatic control. If, before or during the purge process, the reference value decreases below 100%, the ignition has been on for 15 minutes, or a manual distribution selection is made, then the purge process is cancelled.

Blower Control
In the automatic mode, blower speed is determined from reference temperature maps. In general terms, the more heating or cooling required to achieve the temperature selected on the control panel with the driver's side temperature switch, the faster the blower speed.

When maximum cooling is first required in the automatic mode, the ATC (automatic temperature control) module runs the blower at full speed for a fixed period regardless of any drop in cabin temperature. Different time periods are incorporated for the following markets:
- NAS and Gulf States Europe, ROW and Japan
- Europe, ROW and Japan

NAS and Gulf States have the longest time period with the blower at full speed. The Land Rover approved diagnostic equipment can be used to change the market setting so, in some cases, if a customer complains of the duration the blower runs at full speed, changing the market setting could resolve the complaint.

When heating is required, blower speed is reduced if the engine is cold and then progressively increased to the nominal setting as the engine coolant temperature increases from 20 to 50 degrees C (68 to 122 degrees F).

Blower speed is also influenced by the sunlight sensor. At high light levels blower speed will increase to increase the cooling effect.

When the blower is selected off temperature regulation is no longer possible so the ATC (automatic temperature control) module disengages the A/C (air conditioning) compressor, de-energizes the auxiliary water pump and closes the coolant valves. Pressing any of the A/C (air conditioning) system switches restores blower operation and activates the required function. If the blower is selected off when the ignition is switched off, the blower remains off if the ignition is switched on again within 15 minutes. If more than 15 minutes elapses between the ignition being switched off and back on again, the ATC (automatic temperature control) module switches the blower on at speed 1.

If battery voltage is low the ATC (automatic temperature control) module reduces blower speed to conserve power. If battery voltage decreases to less than 12 V, the ATC (automatic temperature control) module decreases the blower signal voltage, and thus the voltage to the blower motor, in direct proportion to the reduction in battery voltage.

Defrost Program
When the defrost program is selected the ATC (automatic temperature control) module:
- Opens the windshield distribution doors and closes the face and footwell doors.
- Sets the recirculation doors to the fresh air position.
- Runs the blower at speed 7.
- Activates the A/C (air conditioning) compressor.
- Activates the heated rear window.
- Activates the heated windshield (where fitted).

When the ambient temperature is 10 degrees C (50 degrees F) and below, the ATC (automatic temperature control) module signals the coolant valves to remain open. When the ambient temperature is more than 10 degrees C (50 degrees F), the ATC (automatic temperature control) module checks the existing heater core temperature and, if necessary, increases the open time of the coolant valves to produce a minimum heater core temperature of 30 degrees C (86 degrees F).

Maximum A/C
Pressing the maximum A/C (air conditioning) switch while the engine is running and the ambient temperature is more than 7 degrees C (45 degrees F) provides the maximum cooling possible from the system to cool the cabin down as rapidly as possible. When maximum A/C (air conditioning) is selected the coolant valves are held closed, the A/C (air conditioning) compressor is engaged, the blower speed is set to maximum and the recirculation doors are set to the recirculation position. After 12 minutes the recirculation doors will be set to fresh air for 1 minute then returned to the recirculation position.

The maximum A/C (air conditioning) function is cancelled when any of the other A/C (air conditioning) system switches are pressed.

Rest Heating
When the engine is not running, pressing the maximum A/C (air conditioning) switch activates the rest heating function to heat the cabin with residual heat from the engine. The rest heating function activates provided the following conditions exist:
- It is less than 15 minutes since the ignition was selected off.
- Ambient temperature is less than 15 degrees C (59 degrees F).
- On the previous ignition cycle engine temperature exceeded 70 degrees C (158 degrees F).
- Battery voltage is 11.4 V minimum.

Rear Passenger Face Level Air
The volume and temperature of the air from the rear passenger face register are adjusted with the rotary controls positioned at the rear of the floor console. Each rotary control operates a variable potentiometer connected to the ATC (automatic temperature control) module. The rotary control initiates stepless changes of rear blower speed between off and full speed. The temperature rotary control controls the position of the rear passenger face level blend door in the heater assembly when the driver's side reference temperature is more than 0%.

Volume Control
The volume potentiometer outputs between 0 and 5 V to the ATC (automatic temperature control) module. The ATC (automatic temperature control) module translates the voltage from the potentiometer into a signal voltage for the output stage in the rear blower. Potentiometer voltages of less than 1.25 V are interpreted as a blower off selection and translate into a signal voltages less than 0.1 V. Potentiometer voltages between 1.25 and 5 V are translated into proportional signal voltages between 0.1 and 5 V.

The ATC (automatic temperature control) module automatically switches off the rear blower when:
- The defrost program is active.
- The main blower is selected off.
- The engine cranks.
- The ignition is selected off (the rear blower remains off during rest heating, parked heating and parked ventilation).

Temperature Control
The temperature potentiometer outputs between 0 and 5 V to the ATC (automatic temperature control) module. The ATC (automatic temperature control) module translates the voltage from the potentiometer into a blend door position between 0% (cold) and 100% (hot) and outputs the appropriate control signal on the M bus to the blend door motor. Potentiometer voltages of less than 1.5 V translate to a blend door position of 0%. Potentiometer voltages of more than 3.4 V translate to a blend door position of 100%. Potentiometer voltages between 1.5 and 3.4 V translate linearly to blend door positions between 0 and 100%.

Heated Windshield (Where Fitted)
When the engine is running and the heated windshield is selected on, the ATC (automatic temperature control) module illuminates the LED (light emitting diode) above the switch and energizes the heated windshield relay attached to the passenger end of the fascia cross tube. If not already active, the ATC (automatic temperature control) module also activates the A/C (air conditioning) compressor and the blower, and sets air distribution to windscreen. After 10 minutes (when ambient temperature is -15 degrees C (5 degrees F) or above) or 17 minutes (when ambient temperature is less than -15 degrees C (5 degrees F)), the ATC (automatic temperature control) module extinguishes the LED (light emitting diode) and de-energizes the heated windshield relay. After the heater times out or is switched off, the timer in the ATC (automatic temperature control) module is reset to zero.

Heated Rear Window
When the engine is running and the heated rear window is selected on, the ATC (automatic temperature control) module illuminates the LED (light emitting diode) above the switch and energizes the heated rear window relay in the AJB (auxiliary junction box). After 10 minutes (when ambient temperature is -15 degrees C (5 degrees F) or above) or 17 minutes (when ambient temperature is less than -15 degrees C (5 degrees F)), the ATC (automatic temperature control) module extinguishes the LED (light emitting diode) and operates the heated rear window at low power for 60 minutes. During the 60 minutes, the ATC (automatic temperature control) module cycles the heated rear window relay off for 80 seconds and on for 40 seconds. If the heated rear window switch is pressed again during the low power phase, the ATC (automatic temperature control) module illuminates the LED (light emitting diode) again and returns the heated rear window to full power by keeping the heated rear window relay energized for 5 minutes. At the end of the 5 minutes the LED (light emitting diode) is extinguished and the 60 minutes low power phase is repeated.

The ATC (automatic temperature control) module outputs a K bus message when the heated rear window is active. The message allows the navigation computer to compensate for the effect of the magnetic field generated when the heated rear window is active. In addition, the GEM (generic electronic module) transfers the message onto the P bus for the door modules, which activate the door mirror heaters together with the heated rear window.

Washer Jet Heaters
The ATC (automatic temperature control) module automatically energizes the washer jets relay, on the CJB (central junction box), when the ignition is on and the ambient temperature is less than 3 degrees C (37 degrees F). If the ambient temperature increases to more than 6 degrees C (43 degrees F), the ATC (automatic temperature control) module de-energizes the washer jets relay.

Parked Ventilation
Parked ventilation allows the vehicle interior to be ventilated with ambient air while parked with the engine stopped. Vehicles without a fuel fired booster heater have parked ventilation only. On vehicles with a fuel fired booster heater, parked ventilation operates in conjunction with parked heating.

Parked ventilation is controlled by direct selection on the TSD (touch screen display), or by using the TSD to program one or two on/off cycle times in the following 24 hour period. Both the direct selection and programmed time modes of operation are selected when the engine is stopped and the ignition switch is in position I; if required, the key can then be removed from the ignition switch and the vehicle locked. Parked ventilation only operates if the ambient temperature is 16 degrees C (61 degrees F) or more, and is automatically de-activated after 30 minutes, regardless of any programmed 'off' time, to prevent excessive drain on the battery. Parked ventilation is automatically de-activated when the ignition is switched on.

When programmed times for parked ventilation are entered on the TSD, the times are stored in the memory of the instrument cluster and the climate set indicator in the top left corner of the TSD is permanently illuminated.

At a programmed parked ventilation start time, or when parked ventilation is selected on using the TSD, the instrument cluster outputs:
- A parked ventilation request to the TSD on a hardwired connection
- A parked ventilation request to the ATC (automatic temperature control) module on the K bus
- The ambient temperature to the ATC (automatic temperature control) module and GEM (generic electronic module) on the K bus.

On receipt of the messages:
- The climate set indicator flashes at 2 Hz, to indicate that parked ventilation is active.
- The ATC (automatic temperature control) module operates the blower at speed 1, opens the face level distribution doors in the heater assembly and closes the windshield and footwell doors.

The ATC (automatic temperature control) module disables parked ventilation if battery voltage is less than 11.4 V.

Climatic Seats
High specification vehicles are fitted with climatic seats, which are able to deliver heating and cooling to the front seat occupants. Vehicles fitted with climatic seats feature 2 additional rotary controllers mounted in the instrument panel switch pack, adjacent the clock.

NOTE:
- If climatic seats are fitted, heated seat switches are not featured on the ATC (automatic temperature control) module control panel.
- The ATC (automatic temperature control) module does not control any aspect of climatic seat operation.

The controlling software for the climatic seats is contained within a control module mounted below the drivers seat. When a temperature selection is made through either of the rotary controllers, the instrument panel switch pack provides a PWM (pulse width modulation) signal to the control module. The control module interprets the PWM (pulse width modulation) signal as a temperature value and attempts to heat or cool the seat accordingly.

Both climatic front seats contain two Peltier cells; one in the cushion, one in the backrest. The Peltier cells are able to deliver heating and cooling based on a voltage provided by the control module. Each seat also contains a fan, which blows air over the Peltier cells to distribute heating or cooling throughout the seat.

The climatic seat control module monitors seat heating through a NTC (negative temperature coefficient) temperature sensor. The temperature sensor is only used to monitor seat heating. Seat cooling is open loop, with no temperature signal provided back to the control module.

Although the switch LED (light emitting diode) 's will illuminate if a selection is made when the ignition is switched on, the Peltier cells will not operate until the engine is running. After the ignition has been switched off, the control module will remember the current temperature settings for approximately 15 minutes. After this period, the seats will be set to 'off' when the ignition is switched back on.