Curiosii for ever!: Car repair manuals for everyone.

Ignition System: Description and Operation



Engine Ignition

Engine Ignition:





GENERAL
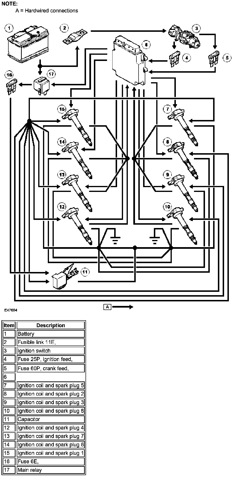
The 4.4L engine ignition system has a single iridium tipped spark plug per cylinder, with each spark plug powered by an on-plug ignition coil. The ignition coils are directly driven by the ECM (engine control module).

Power for the ignition coils is supplied from the main relay and a fuse in the BJB (battery junction box). A capacitor is connected in parallel with the power supplies to the ignition coils to suppress RFI (radio frequency interference).

Each ignition coil contains a power stage to switch the current in the primary circuit. The ECM (engine control module) controls the switching with a signal to the power stage. The ECM (engine control module) monitors operation of the ignition coils using a feedback signal from each of the power stages. If a fault is detected the ECM (engine control module) stores an appropriate fault code.

The ECM (engine control module) varies the dwell time of the ignition coils depending on battery voltage and engine speed, to ensure a constant energy level is produced in the secondary coil each time the power stage is switched. This ensures a good spark is always produced by the spark plug without excessive primary current flow, thus avoiding overheating or damage to the ignition coils.

The ECM (engine control module) calculates the ignition timing for individual cylinders from:
^ Engine speed.
^ Camshaft position.
^ Engine load.
^ Engine temperature.
^ The knock control function.
^ On automatic transmission models, the shift control function.
^ The idle speed control function.

ENGINE IGNITION CONTROL DIAGRAM

Engine Ignition Control Diagram: