Curiosii for ever!: Car repair manuals for everyone.

Alternator: Service and Repair



Generator - 3.2L

Special Service Tools













Removal

WARNING: Make sure to support the vehicle with axle stands.

1. Raise and support the vehicle.
2. Disconnect the battery ground cable.
3. Remove the intake manifold.
4. Disconnect the generator harness.
5. Remove the generator.





CAUTION: Mark the components to aid installation.

6. Remove the coupling.

NOTE: Do not disassemble further if the component is removed for access only.

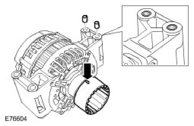
7. Remove the dowels.





8. Remove the generator coupling.





Installation

1. Install the generator coupling.

Torque: 75 Nm





2. Install the locating dowels flush with the generator casing.

NOTE: Make sure that the installation marks are aligned.

3. Install the coupling.
4. Locate the generator and install and lightly tighten the upper bolts.
5. Using the special tool, install the dowels to align the generator.





6. Tighten the generator bolts.

Torque: 24 Nm

7. Connect the generator harness and tighten the nut.

Torque: 12 Nm

8. Install the intake manifold.
9. Connect the battery ground cable.