Curiosii for ever!
: Car repair manuals for everyone.
Home
>>
Land Rover
>>
2008
>>
Range Rover (LM) V8-4.4L
>>
Repair and Diagnosis
>>
Diagrams
>>
Exploded Views
>>
Cooling System
Cooling System
Engine Cooling
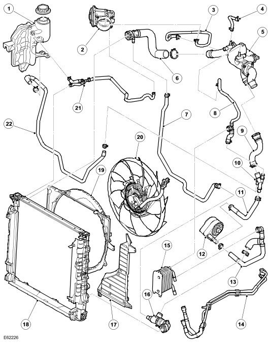
Cooling System Component Layout - 1 of 2 (Part 1):
Cooling System Component Layout - 1 of 2 (Part 2):
Cooling System Component Layout - 2 of 2 (Part 1):
Cooling System Component Layout - 2 of 2 (Part 2):