Curiosii for ever!
: Car repair manuals for everyone.
Home
>>
Land Rover
>>
2008
>>
LR3 (LA) V8-4.4L
>>
Repair and Diagnosis
>>
Powertrain Management
>>
Computers and Control Systems
>>
Relays and Modules - Computers and Control Systems
>>
Engine Control Module
>>
Locations
>>
Component Locations
Component Locations
4.4L V8 EMS Component Location (1 Of 2) [Denso]:
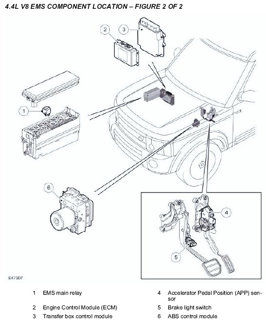
4.4L V8 EMS Component Location (2 Of 2) [Denso]: