Curiosii for ever!: Car repair manuals for everyone.

Air Flow Meter/Sensor: Service and Repair



Mass Air Flow (MAF) Sensor

Service Repair No - 19.22.25


Removal
1. Disconnect the battery ground cable.
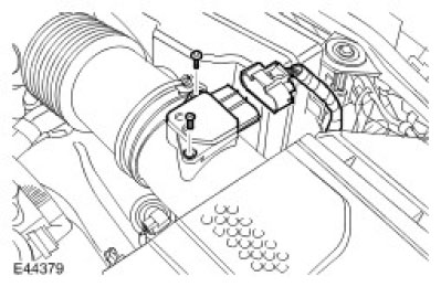
2. Disconnect the mass airflow (MAF) sensor electrical connector.
3. Remove the MAF sensor.
^ Remove the 2 screws.





Installation
1. To install, reverse the removal procedure.
^ Tighten Torx screws to 2 Nm (1.5 ft. lbs.).