Curiosii for ever!: Car repair manuals for everyone.

Repair and Diagnosis: Application and ID



Identification Codes

VIN Number
The VIN number will be found in three locations:
1. Stamped on the front of the RH front suspension turret.
2. At the bottom of the windshield glass on the LH side of the vehicle and visible from the outside.
3. UK, Europe and ROW - Not NAS/Canada -On the VIN plate attached to the LH inner wing, forward of the suspension turret.
4. NAS/Canada - On the Tire Data/Specification label attached to the front of the LH B-pillar.

RH Front Suspension Turret VIN







Windscreen VIN







LH Inner Wing VIN







VIN number - UK, EU and ROW







VIN number - NAS and Canada







LH Inner Wing, Forward of Suspension Turret, VIN Plate - Not NAS/Canada







The VIN plate contains the following information:
^ A - Reserved
^ B - Engine Description
^ C - Country
^ D - Diesel Indicator
^ E - Reserved
^ F - Headlamp Code/initial aim value - If shown
^ G - Colour code/group
^ H - Type/Approval Number - If shown
^ I - VIN Number
^ J - Gross Vehicle Weight
^ K - Gross Trailer Weight
^ L - Front Axle Weight
^ M - Rear Axle Weight

VIN/Certification/Tire Data Label - NAS only







The Certification Label contains the following VIN information:
^ A - VIN Number
^ B - Bar code identification

VIN/Tire Pressure Specification Label - Canada only







The Tire Pressure Certification Label contains the following VIN information:
^ A - VIN Number
^ B - Vehicle Type

Unit/Assembly Serial Number Locations

3.0 Liter TD6 Diesel Engine Serial Number







The 3.0 Liter TD6 Diesel Engine Serial Number is stamped on the LH side of the cylinder block.
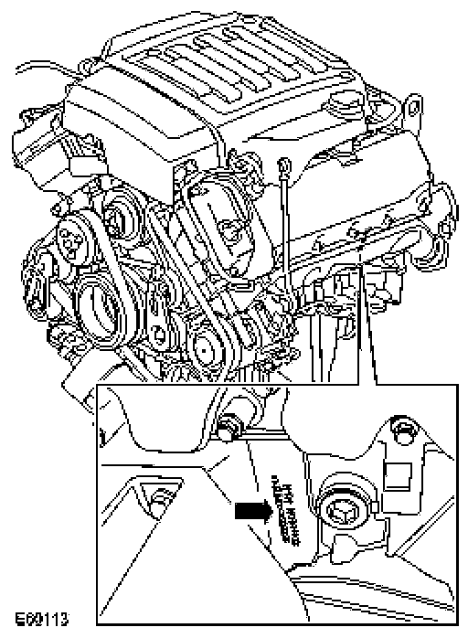
The 4.0 Liter V6 Petrol Engine Serial Number is stamped on the LH side of the cylinder block.

4.2 Liter SC and 4.4 Liter V8 Petrol Engine Serial Number







The 4.2 Liter SC and 4.4 Liter V8 Petrol Engine Serial Number is etched into the LH side of the engine block.


TD6 Automatic Transmission Serial Number







The transmission serial number is on a plate attached to the LH side of the transmission casing.


4.2 SC and 4.4 Liter Automatic Transmission Serial Number







The automatic transmission serial number is stamped on the rear LH side of the transmission casing.

Front Differential Serial Number







The Front Differential Serial Number is stamped on the underside of the differential casing and is located above the removable cross member.

Rear Differential Serial Number







The Rear Differential Serial Number is stamped on the underside of the differential casing adjacent to the front mounting.

Transfer Case Serial Number







The Transfer Case serial number is stamped on the RH side of the transfer case and may also be on a bar coded selfadhesive label attached to the case.