Curiosii for ever!
: Car repair manuals for everyone.
Home
>>
Land Rover
>>
2006
>>
LR3 (LA) V6-4.0L
>>
Repair and Diagnosis
>>
Powertrain Management
>>
Relays and Modules - Powertrain Management
>>
Relays and Modules - Computers and Control Systems
>>
Engine Control Module
>>
Locations
>>
Component Locations
Component Locations
4.0L V6 Component Locations (1 Of 2) [Denso]:
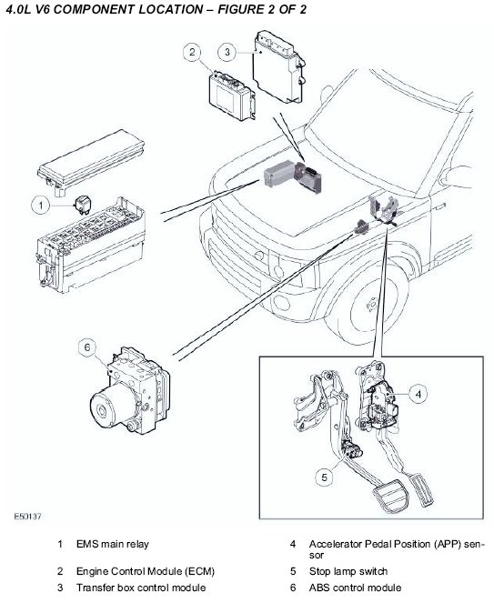
4.0L V6 Component Locations (2 Of 2) [Denso]: