Curiosii for ever!: Car repair manuals for everyone.

Navigation System



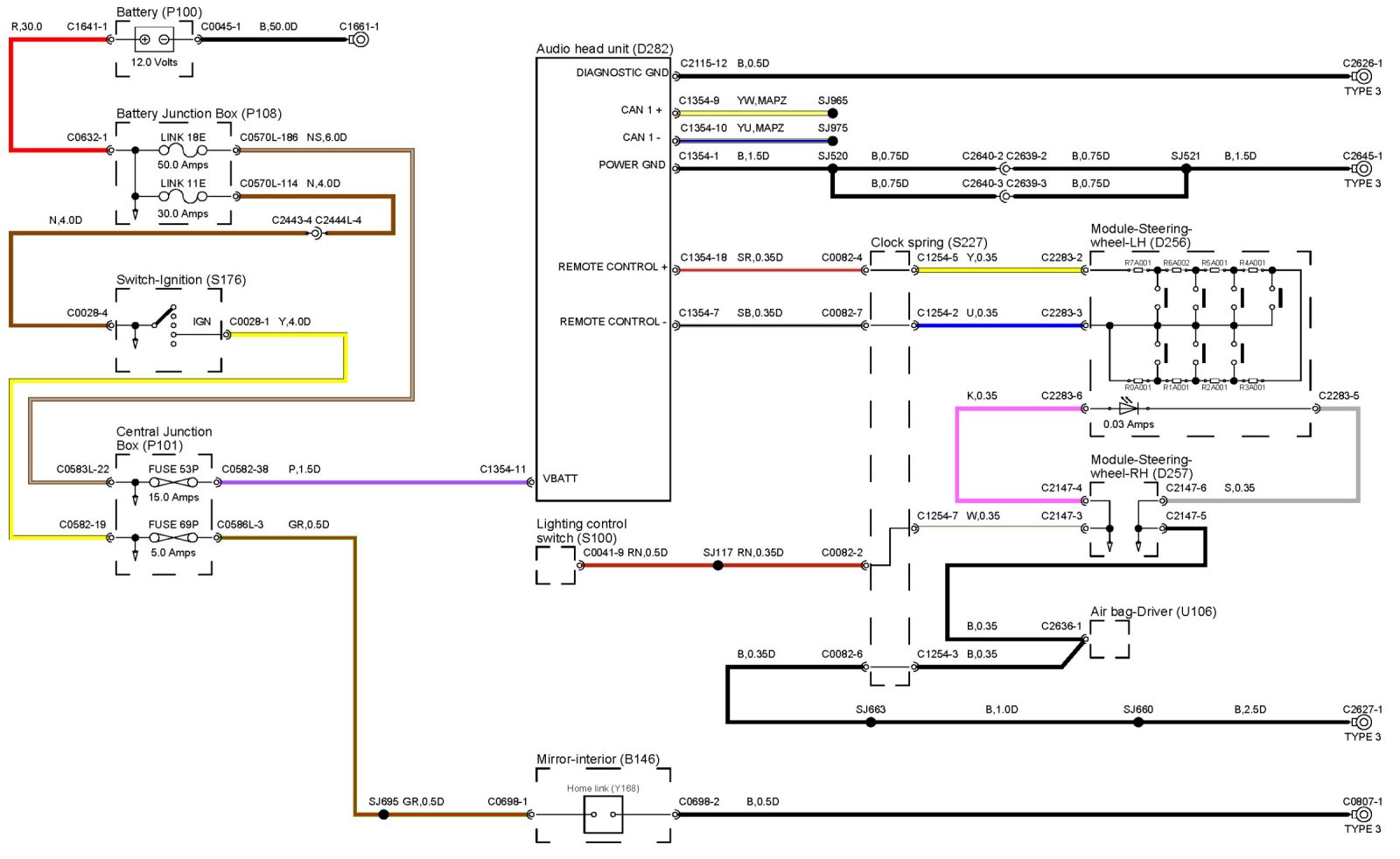
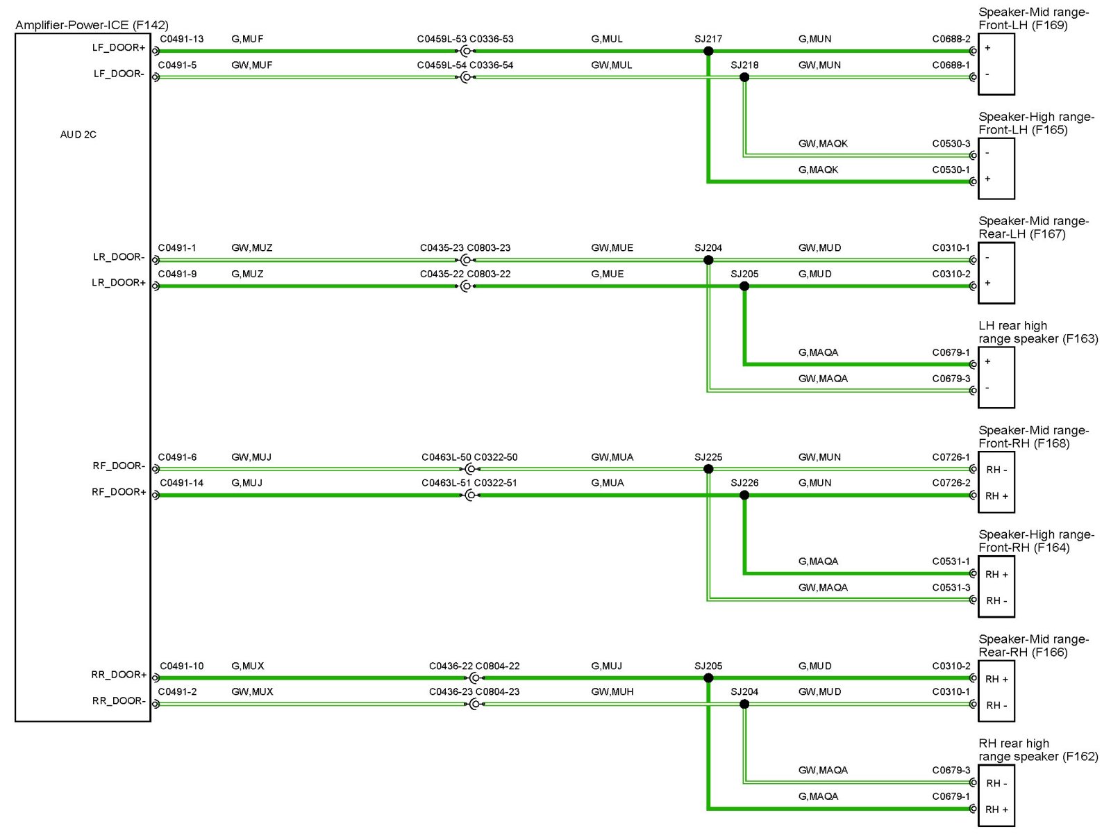
Low Line (Sheet 1):




Low Line (Sheet 2):




High line - Harman Kardon (Sheet 1):




High line - Harman Kardon (Sheet 2):




High line - Harman Kardon (Sheet 3):




High line - Harman Kardon (Sheet 4):




High line - Harman Kardon (Sheet 5):




High line - Harman Kardon (Sheet 6):




High line - Harman Kardon (Sheet 7):




High line - Harman Kardon (Sheet 8):




High line - Harman Kardon (Sheet 9):





Locations: The location views for connectors and components depicted within these diagrams can be found via the connector's base number (i.e. C0570) at Vehicle/Locations/Connectors. Connector Locations

Connector Views: The connector pin out views for connectors depicted within these diagrams can be found via the connector's base number (i.e. C0570) at Vehicle/Diagrams/Connector Views. Connector Views