Curiosii for ever!
: Car repair manuals for everyone.
Home
>>
Land Rover
>>
2006
>>
LR3 (LA) V6-4.0L
>>
Repair and Diagnosis
>>
Cruise Control
>>
Locations
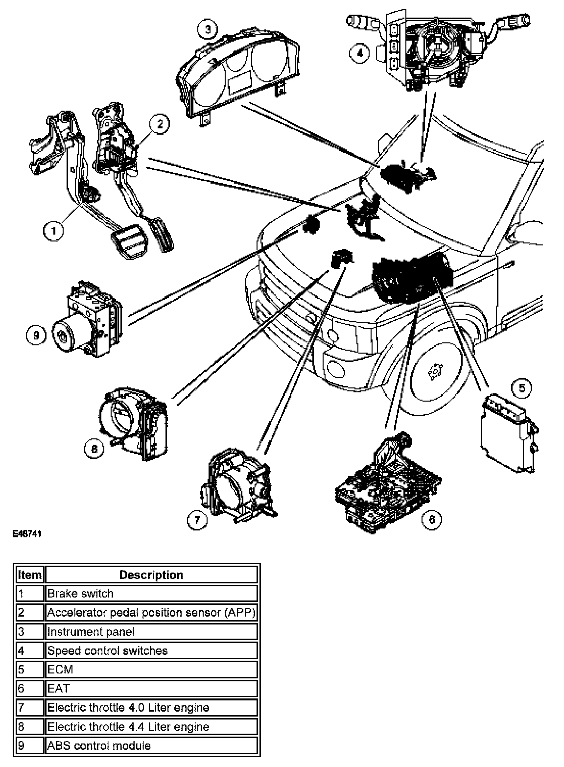
Cruise Control: Locations
Petrol Engine Speed Control Component Location: