Curiosii for ever!
: Car repair manuals for everyone.
Home
>>
Land Rover
>>
2005
>>
LR3 (LA) V6-4.0L
>>
Repair and Diagnosis
>>
Powertrain Management
>>
Ignition System
>>
Knock Sensor
>>
Locations
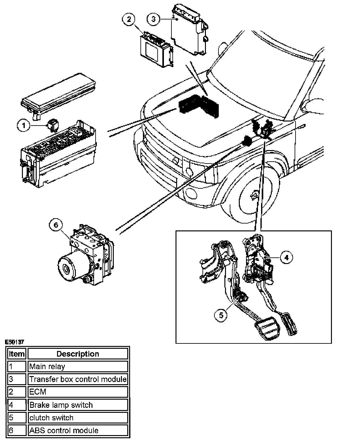
Knock Sensor: Locations
[Denso] Electronic Engine Controls Component Location Sheet 1 Of 2:
[Denso] Electronic Engine Controls Component Location Sheet 2 of 2:
[Denso] EMS Control Diagram Sheet 1 of 2:
[Denso] EMS Control Diagram Sheet 1 of 2: