Curiosii for ever!: Car repair manuals for everyone.

Emission Control Systems: Description and Operation




Emission Control Description

General

The vehicle is fitted with the following control Systems to reduce emissions released into the atmosphere:
- Crankcase emission control.
- Exhaust emission control.
- Evaporative emissions (EVAP) control.


CAUTION: In many countries it is against the law for a vehicle owner or an unauthorized dealer to modify or tamper with emission control equipment. In some cases, the vehicle owner and/or the dealer may even be liable for prosecution.


The emission control systems fitted to the vehicle are designed to keep the emissions within the legal limits, at the time of manufacture, provided that the engine and the fuel system components are correctly maintained and in good mechanical condition.

Crankcase Emission Control System
The crankcase is vented via the oil drain passages in the cylinder blocks and cylinder heads and two ports in each camshaft cover. Plastic pipes connect the larger ports in the camshaft covers to either the throttle body (all except NAS) or the intake duct (NAS), on the upstream side of the throttle disc. The smaller ports in the camshaft covers are connected to the inlet manifold, downstream of the throttle body, also by plastic pipes. Each of the smaller ports incorporate a restrictor and a gauze oil separator to prevent oil being drawn out of the camshaft covers with the blow- by gases. Quick release locking collars and 'O' rings are used for all of the pipe connections with the camshaft covers, throttle body and air intake duct.

When the engine is running with the throttle disc closed, the depression downstream of the throttle disc draws crankcase gases into the inlet manifold through the smaller ports in the camshaft covers. Clean air, from the upstream side of the throttle disc, is drawn into the crankcase through the larger ports in the camshaft covers to limit the depression produced in the crankcase.

When the engine is running with the throttle disc wide open, the upstream and downstream sides of the throttle disc, and thus the two ports in each camshaft cover, are subjected to similar, relatively weak, depression levels. Crankcase gases are then drawn out of both ports in each camshaft cover, with the majority being drawn out of the unrestricted larger ports and into the throttle body.

At interim throttle disc positions the flow of the crankcase gases varies, between those produced at the closed and wide open throttle disc positions, depending on the depression levels produced upstream and downstream of the throttle disc.

Exhaust Emission Control
The engine management systems provide accurately metered quantities of fuel to the combustion chambers to ensure the most efficient use of fuel and to minimize the exhaust emissions. In some markets, to reduce the carbon monoxide and hydrocarbons content of the exhaust gases, catalytic converters are installed in the exhaust system. Where catalytic converters are fitted:
- In all except NAS markets, a 'starter' catalytic converter is integrated into each exhaust manifold and a main catalytic converter is integrated into the exhaust system front pipe.
- In NAS markets, a catalytic converter is integrated into each downpipe close to the exhaust manifolds.

In the catalytic converters the exhaust gases are passed through honeycombed ceramic elements coated with a special surface treatment called 'washcoat'. The washcoat increases the surface area of the ceramic elements by a factor of approximately 7000. On top of the washcoat is a coating containing the elements which are the active constituents for converting harmful emissions into inert by-products. The active constituents consist of platinum and rhodium. Platinum adds oxygen to the carbon monoxide and the hydrocarbons in the exhaust gases, to convert them into carbon dioxide and water respectively. The rhodium removes oxygen from the Nitrous Oxides (NOx) to convert them into nitrogen.

The correct operation of the catalytic converters is dependent upon close control of the oxygen content of the exhaust gas. The quantity of oxygen in the exhaust gas is monitored by the Engine Control Module (ECM) using an input from the Heated Oxygen Sensor (HO2S) upstream of the catalytic converters. The ECM also monitors the condition of the catalytic converters using an input from the HO2S downstream of the catalytic converters.

EVAP Control
The EVAP control system reduces the level of hydrocarbons released into the atmosphere by fuel vapor venting from the fuel tank. On NAS models, a positive pressure leak detection function is incorporated to monitor the integrity of the system. The EVAP control system comprises:
- A two way valve.
- A vapor separator.
- An EVAP canister.
- A purge valve.
- A Diagnostic Module for Tank Leakage (DMTL) (NAS only).
- An air filter (NAS only).
- Interconnecting vent pipes.

The EVAP control system is connected to the Onboard Refuelling vapor Recovery (ORVR) valve (NAS only) and/or the roll over valves in the fuel tank. The ORVR valve and the roll over valves are float valves that allow inward and outward venting of the fuel tank, but prevent the escape of fuel into the vent pipes due to fuel slosh or if the vehicle overturns. The ORVR valve is normally closed when the fuel tank is full and normally open at all other fuel levels. The roll over valves are normally open at all fuel levels.

On all except NAS vehicles, venting occurs through the roll over valves and the two-way valve with changes of tank pressure.

On NAS vehicles, when the fuel tank is less than full, venting is unrestricted through the ORVR valve. Only when the fuel tank is full does venting occur, with changes of tank pressure, through the roll over valves and the two-way valve.

Vapor vented from the fuel tank passes through the EVAP control system to atmosphere. The EVAP canister absorbs fuel from the vapor and relatively fuel free air vents to atmosphere. Since there is a limit to the storage capacity of the EVAP canister, when the engine is running fuel is purged from the EVAP canister and burned in the engine.

On NAS vehicles, to reduce the load on the EVAP canister during refuelling, a proportion of the air expelled from the tank is recirculated through a pipe connected between the top of the vapor separator and the filler tube. The recirculation flow is induced by fuel in the filler tube flowing past a restrictor installed in the recirculation pipe connection on the filler tube. With the recirculation flow present, less fresh air enters the tank, which reduces the volume of vapor generated and fuel deposited in the EVAP canister.

On NAS vehicles, the DMTL periodically checks the EVAP control system and fuel tank for leaks when the ignition is switched off.


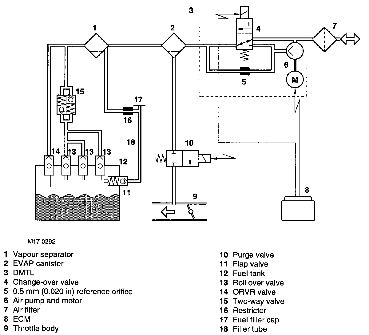
EVAP System Schematic (NAS)


EVAP System Schematic (NAS):






Two-way Valve
The two-way valve limits the pressure and depression in the fuel tank and, during refuelling, induces automatic cut-off in the refuelling nozzle when the fuel in the tank reaches the full level. The two-way valve is installed in the vent pipe from the tank, next to the fuel pump assembly.

The two-way valve is a normally closed valve that opens, to release pressure from the fuel tank, at 18 to 50 mbar (0.26 and 0.73 lbf/in square). Air is allowed to flow back into the fuel tank, as the pressure in the tank decreases, through a non return valve within the body of the two-way valve. The nominal opening pressure of the non return valve is 1 mbar (0.015 lbf/in square).

During refuelling, if the fuel in the tank reaches the full level outward venting becomes restricted, which creates a back pressure in the filler tube and automatically closes the refuelling nozzle. On all except NAS vehicles, the restriction is caused by the fuel covering the outlet to the vent pipe connected to the top of the filler tube. On NAS vehicles, the restriction is caused by the fuel closing the ORVR valve.

Vapour Separator
The vapor separator is installed at the front of the RH rear wheel arch, behind the wheel arch liner. The vapor separator prevents the charcoal in the EVAP canister being saturated with fuel, by separating any liquid from the vapor vented from the fuel tank. Separated fuel from the vapor separator drains back to the fuel tank through the vent pipe.

EVAP Canister


EVAP Canister (NAS):






The EVAP canister is installed at the front of the RH rear wheel arch, behind the wheel arch liner. Charcoal in the EVAP canister absorbs and stores fuel from the vapor vented from the fuel tank. When the engine is running, fuel is purged from the EVAP canister when the purge valve opens and clean air is drawn through the charcoal.

Purge Valve
The purge valve is installed on the inlet manifold chamber, next to the throttle body, and connected to the EVAP canister by a vent pipe installed on the underside of the vehicle, next to the fuel delivery pipe.

The purge valve is controlled by the Engine Control Module (ECM) and remains closed below a preset coolant temperature and engine speed, to protect engine tune and catalytic converter performance. When engine operating conditions are suitable, the ECM opens the purge valve and the depression in the inlet manifold draws fuel vapor from the EVAP canister.

DMTL (NAS Only)
The DMTL is connected to the atmospheric vent of the charcoal canister and incorporates an electric air pump, a normally open change-over valve and a 0.5 mm (0.020 in) reference orifice. The DMTL operates only after the ignition is switched off and is controlled by the ECM, which also monitors the air pump and the change-over valve for faults.

Air Filter (NAS Only)
The air filter prevents dust being drawn into the EVAP system. A breather tube connects the DMTL to the air filter, which is located above the RH rear wheelarch liner, immediately below the fuel filler cap.

Leak Diagnostic Operation (NAS Only)
To check the fuel tank and EVAP system for leaks, the ECM operates the air pump in the DMTL and monitors the current draw. Initially, the ECM establishes a reference current by pumping air through the reference orifice and back to atmosphere. Having established a reference current, the ECM then closes the change-over valve, which seals the EVAP system (the purge valve already being closed), and diverts the output from the air pump around the reference orifice and into the EVAP system.

When the change-over valve is first closed, the load on the pump drops to zero, then, provided there are no leaks, the pump begins to pressurize the EVAP system and the load and current draw of the pump begin to increase. By monitoring the rate and level of current increase, the ECM can determine if there is a leak in the system.

During the leak check, the ECM energizes a heating element in the air pump to prevent condensation forming and producing an incorrect current reading.

Leaks are classified as minor (equivalent to hole diameter of 0.5 to 1.0 mm (0.02 to 0.04 in) or major (equivalent to hole diameter of 1.0 mm (0.04 in) or greater).

The ECM conducts a check for major leaks each time the ignition is switched off, provided the following baseline conditions are met:
- The ECM is in power down mode more than 3 seconds after the ignition is switched off.
- The vehicle speed is zero.
- The engine speed is zero.
- The pressure altitude (derived from engine load calculations) is below 1830 m (6000 ft).
- The engine coolant temperature is more than 2.25 °C (36 °F).
- The ambient temperature is between 0 and 40 °C (32 and 104 °F).
- The EVAP canister load factor is 3 or less (the load factor is a measure, between -1 and +30, of the amount of fuel vapor stored in the EVAP canister, where -1 is 0% fuel vapor, 0 is stoichiometric fuel vapor level and +30 is 100% saturated with fuel vapor).
- The fuel tank level is valid and between 15 and 85 % of the nominal capacity.
- The engine running time during the previous ignition on cycle was more than 20 minutes.
- Battery voltage is between 10.94 and 14.52 volts.
- The last engine off time was more than 150 minutes.
- No errors with the following functions or components:
- Road speed.
- EVAP system load monitoring.
- Engine coolant temperature.
- Ambient air temperature.
- Fuel level.
- Purge valve.
- DMTL.

A check for minor leaks is only conducted after every 14th major leak check or after refuelling is detected. At the end of the leak check the ECM stops the air pump and opens the change-over valve.

If the fuel filler cap is opened or refuelling is detected during the leak check, by a sudden drop in the current draw or rise in fuel level, the leak check is aborted.

If a leak is detected during the check, the ECM stores an appropriate fault code in memory. If a leak is detected on two consecutive checks, the ECM illuminates the MIL on the next drive cycle.

The duration of the leak check is between 40 and 270 seconds, depending on results and the level of fuel in the tank. A leak test can be invoked using TestBook/T4, which overrides the baseline conditions requirement.


Leak Check Sequence


Leak Check Sequence: