Curiosii for ever!
: Car repair manuals for everyone.
Home
>>
Land Rover
>>
2005
>>
Freelander (LN) V6-2.5L
>>
Repair and Diagnosis
>>
Heating and Air Conditioning
>>
Description and Operation
>>
Air Conditioning
>>
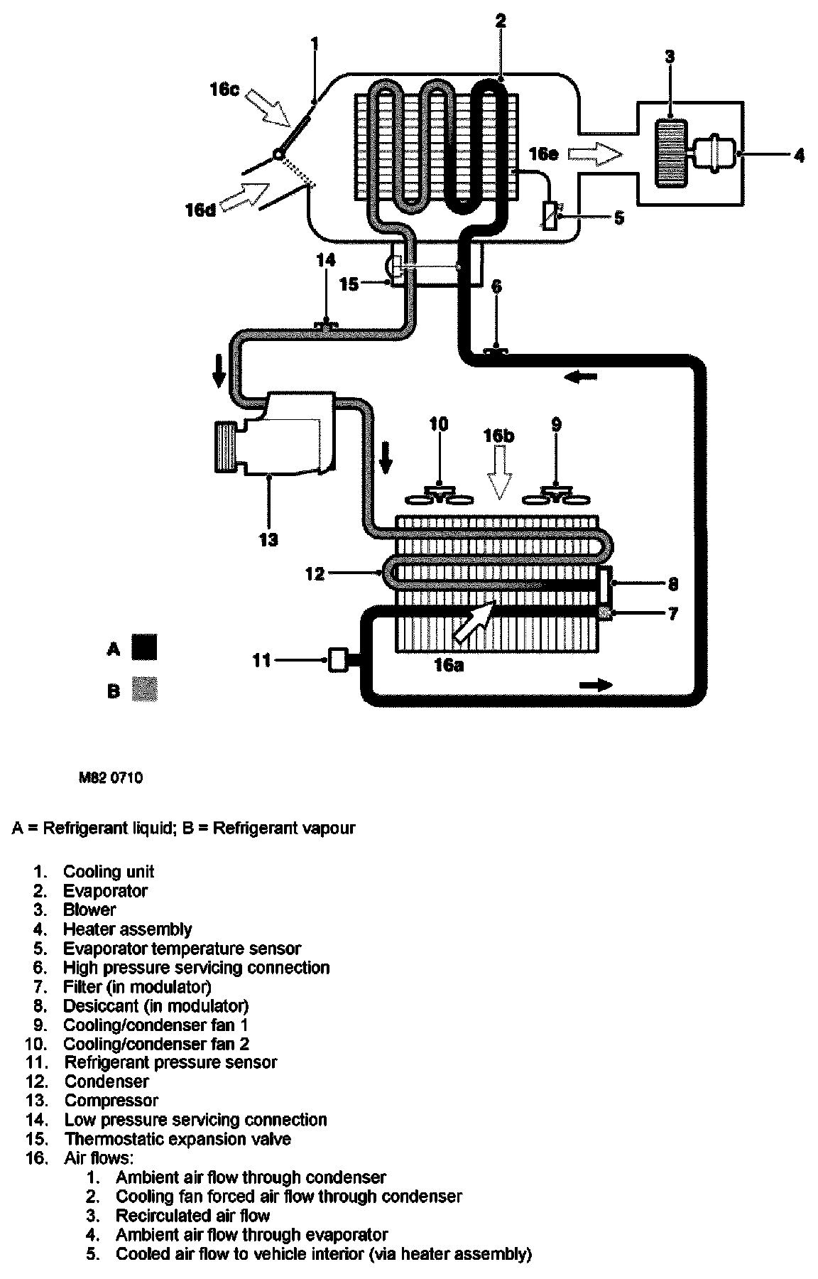
AC System Schematic Layout
AC System Schematic Layout
AC System Schematic Layout: