Curiosii for ever!: Car repair manuals for everyone.

Shift Interlock Cable: Service and Repair


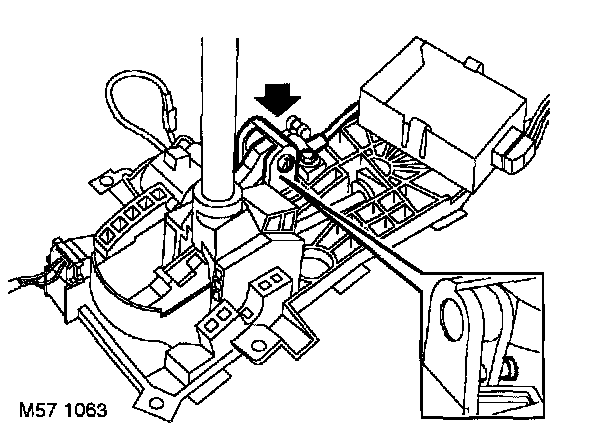
Cable - Key Interlock
Remove
1. Disconnect battery earth lead.
2. Remove front console.





3. Loosen bolt securing cable clamp.
4. Disconnect cable from interlock mechanism.
5. Remove key from starter switch.
6. Remove steering column nacelle.





7. Remove bolt securing steering column height adjuster lever and remove lever.

NOTE: Thread is left handed.

8. Remove nut securing height adjuster clamp bolt and remove bolt.
9. Collect plastic stop.





10. Loosen union and disconnect cable from column lock.





11. Release cable from 2 retaining clips.
12. Note the cable routing, maneuver cable from under heater and steering column bracket.
13. Remove cable.

Refit
1. Position cable, align to heater and steering column bracket and secure in retaining clips.
2. Align key interlock cable to column lock and tighten union to 4 Nm (3 ft. lbs.).
3. Fit height adjuster clamp bolt and tighten nut to 10 Nm (7.5 ft. lbs.). Ensure bolt and plastic stop are correctly located in slot in column bracket.
4. Fit height adjuster lever and tighten bolt 12 Nm (9 ft. lbs.). Ensure lever is in the fully up position before tightening bolt. Hold clamp bolt nut to prevent nut rotation.
5. Connect cable to interlock mechanism.
6. Check key interlock cable adjustment.
7. Fit steering column nacelle.
8. Fit front console.
9. Connect battery earth lead.