Curiosii for ever!
: Car repair manuals for everyone.
Home
>>
Land Rover
>>
2003
>>
Range Rover (LM) V8-4398cc 4.4L (M62)
>>
Repair and Diagnosis
>>
Diagrams
>>
Exploded Views
>>
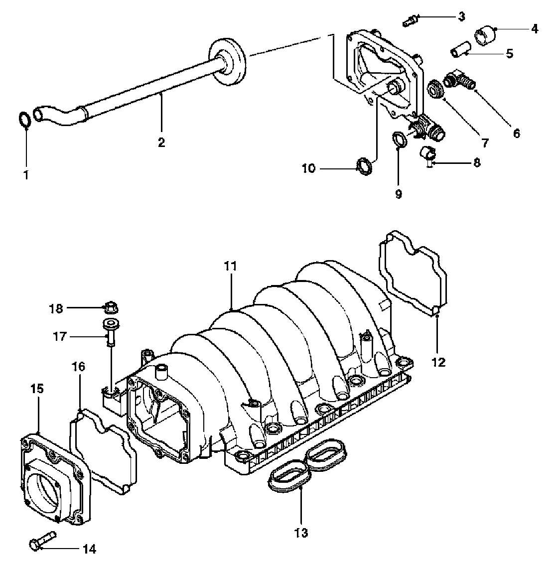
Intake Manifold
Intake Manifold
Part 1 Of 2:
Part 2 Of 2:
Inlet Manifold Component Layout