Curiosii for ever!
: Car repair manuals for everyone.
Home
>>
Land Rover
>>
2000
>>
Range Rover (LP) V8-4.6L
>>
Repair and Diagnosis
>>
Diagrams
>>
Exploded Views
>>
Transfer Case
>>
Borg_Warner
Borg_Warner
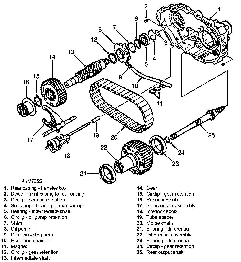
Gearbox Components:
Gearbox Components:
Gearbox Components: