Curiosii for ever!: Car repair manuals for everyone.

Cruise Control




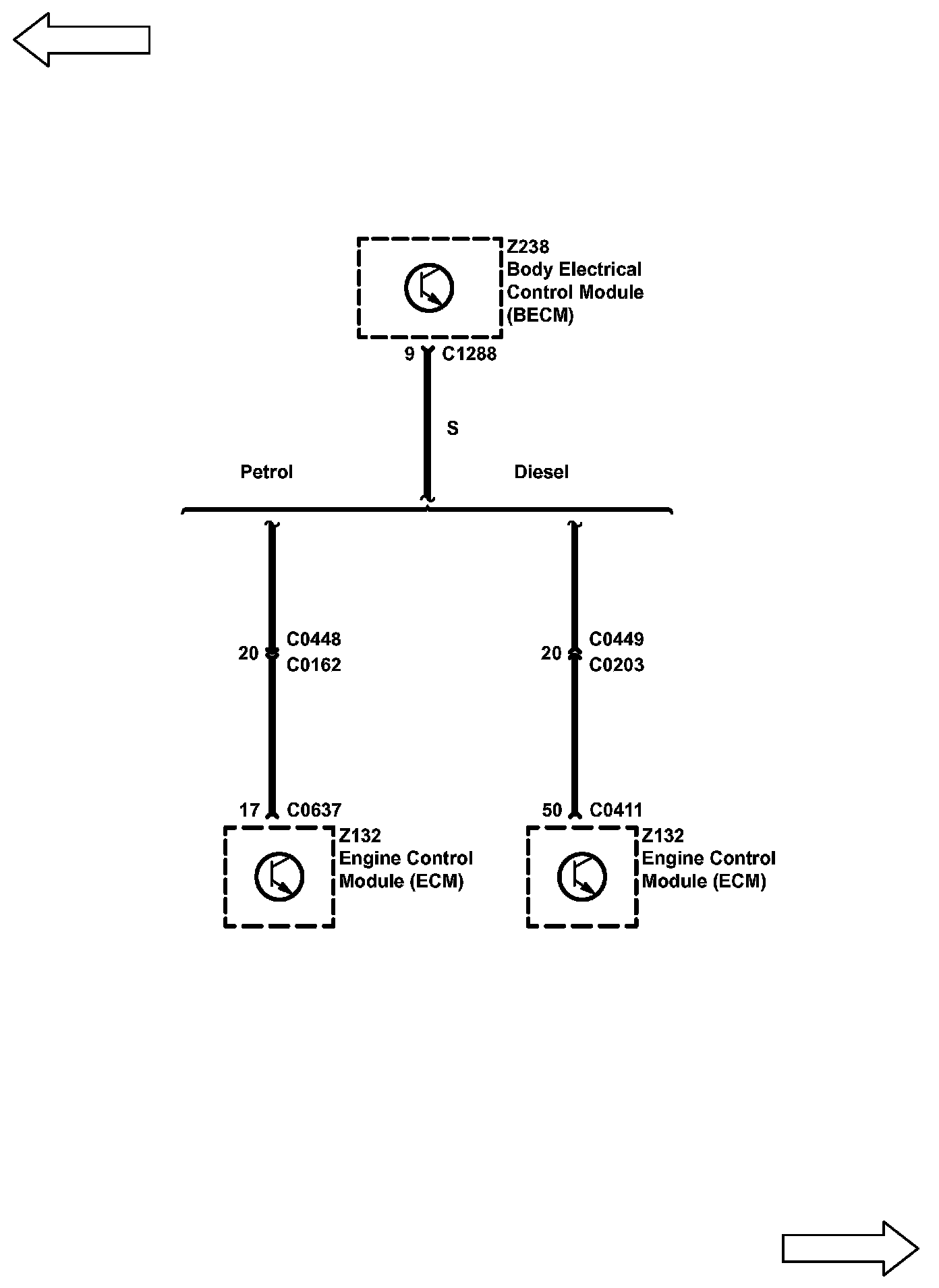
Cruise Control (Sheet 1):




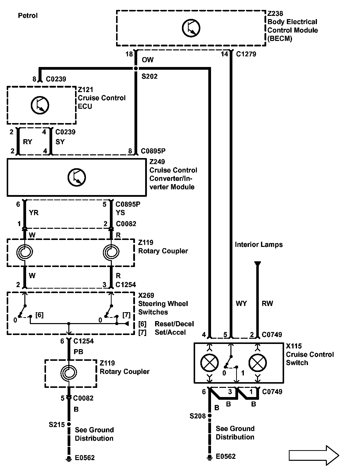
Cruise Control (Sheet 2):




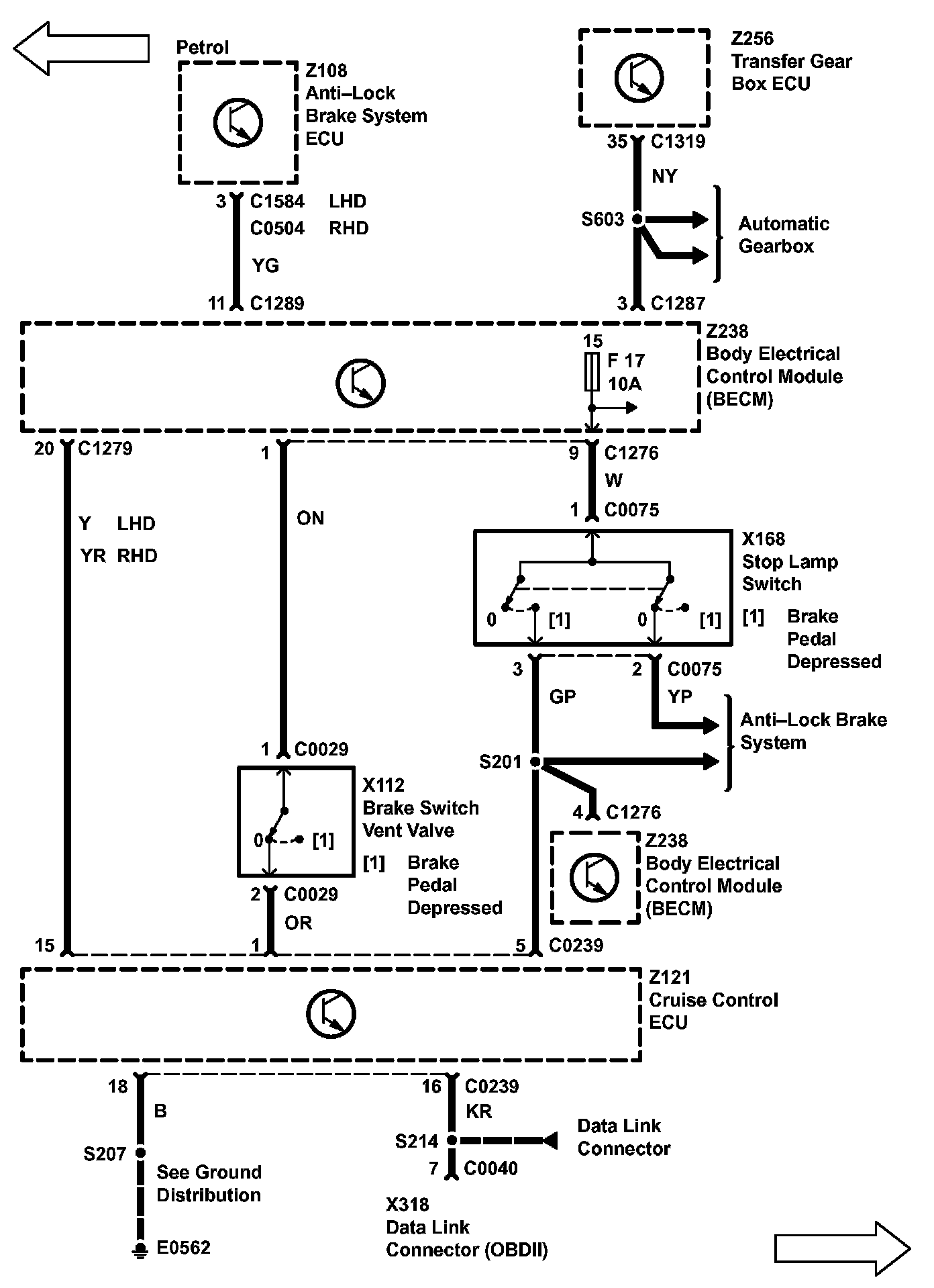
Cruise Control (Sheet 3):




Cruise Control (Sheet 4):






Connector Locations: The location views for connectors depicted within these diagrams can be found via the connector's base number (i.e. C0570) at Vehicle/Locations/Connectors/Master Location Index. Master Location Index

Connector Views: The connector pin out views for connectors depicted within these diagrams can be found via the connector's base number (i.e. C0570) at Vehicle/Diagrams/Connector Views. Connector Views