Curiosii for ever!: Car repair manuals for everyone.

System Diagnosis



CRUISE CONTROL

SYSTEM DIAGNOSIS

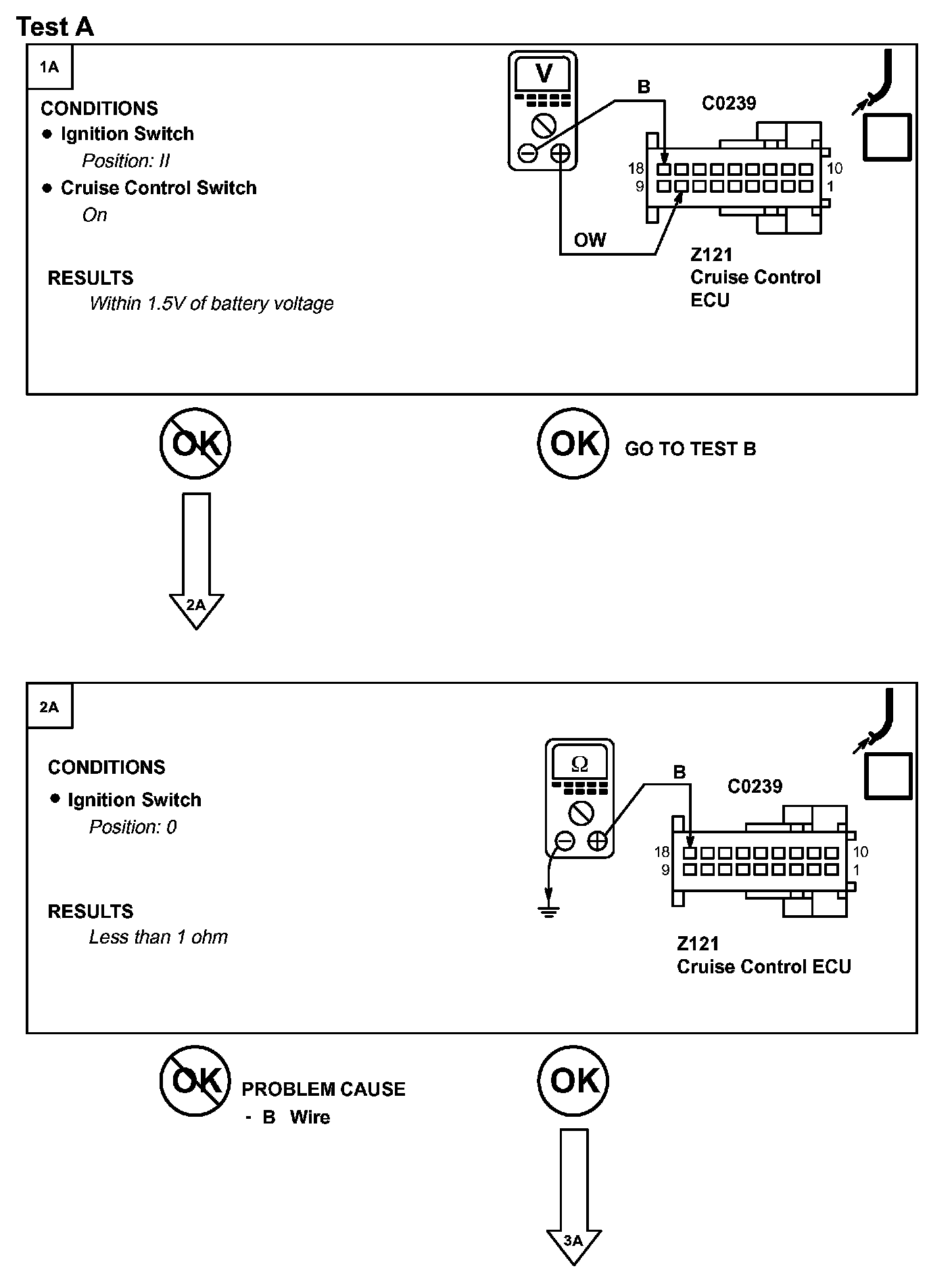
1A To 2A:




3A To 1B:




2B To 3B:




1C To 2C:




1D To 2D:




3D To 4D:




5D To 1E:




2E To 3E:




1F To 2F:




3F To 4F:




5F To 6F:




1. If the cruise control system does not operate correctly and the vehicle is equipped with a Petrol Engine, do Test A.
2. If the cruise control system does not operate correctly and the vehicle is equipped with a Diesel Engine, do Test E.