Curiosii for ever!: Car repair manuals for everyone.

Starter Motor: Service and Repair



Starter motor - V8

Service repair No - 86.60.01

Remove
1. Release fixings and remove battery cover,
2. Disconnect battery earth lead.
3. Raise front of vehicle.

WARNING: Do not work on or under a vehicle supported only by a jack. Always support the vehicle on safety stands.





4. Remove 3 nuts securing exhaust flange to front pipe, release front pipe and collect gasket.
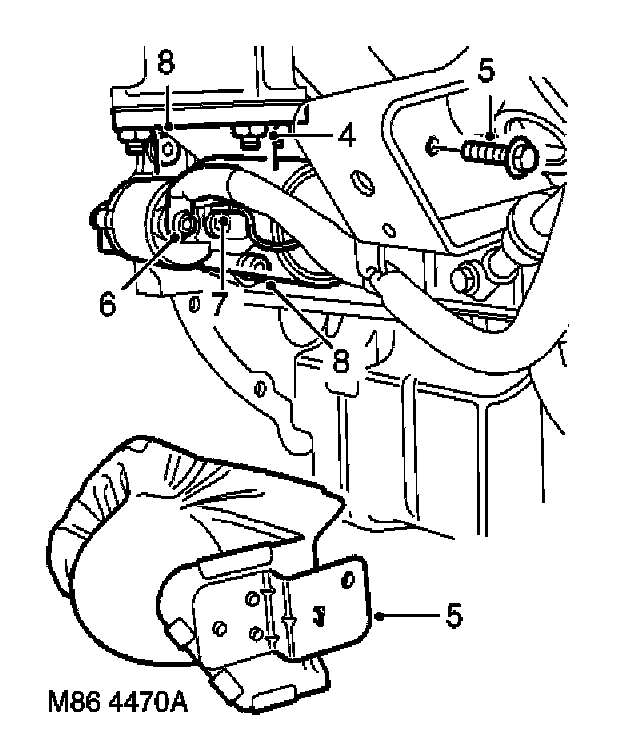
5. Remove bolt securing heat shield to engine mounting bracket, release heat shield from starter motor and remove from vehicle.
6. Remove nut securing battery lead to starter solenoid and release lead.
7. Disconnect Lucar connector from starter solenoid.
8. Remove 2 Allen bolts securing starter motor and remove starter motor from engine.

Refit
1. Clean starter motor and mating face on engine.
2. Fit starter motor and tighten Allen bolts to 44 Nm (32 ft. lbs.).
3. Connect Lucar connector to starter solenoid.
4. Fit battery lead to solenoid and tighten nut.
5. Position heat shield to starter motor, locate tag in engine mounting bracket, fit bolt and tighten to 10 Nm (7 ft. lbs.).
6. Clean exhaust manifold and front pipe mating faces.
7. Using a new gasket, position front pipe, fit nuts and tighten to 30 Nm (22 ft. lbs.).
8. Remove stand(s) and lower vehicle.
9. Connect battery earth lead.
10. Fit battery cover and secure fixings.