Curiosii for ever!: Car repair manuals for everyone.

System Information

GENERAL DESCRIPTION

In order to understand and diagnose transfer gearbox control system related problems, a complete understanding of the range shift control process is necessary.

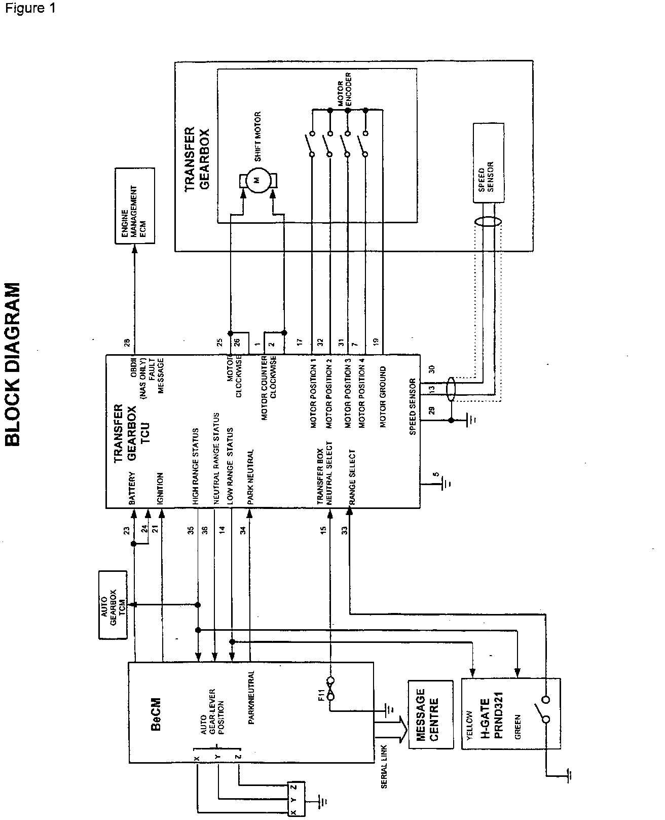
The TCU receives and transmits information to and from:

1. Shift Control Motor Position Switch

2. High/Low Request Switch

3. Transfer Gearbox Speed Sensor

4. Drivers selected range on the H-Gate

5. GEMS ECM

6. Automatic Transmission Control Module (TCM)

7. The BeCM

Using this information the TCU energizes an electric motor to shift ranges in the transfer gearbox.





Study the block diagram (Figure 1) to understand the relationships between the various components in the transfer gearbox shift control system.

The information received by the TCU from the shift control motor encoder switches regarding the motor's position and from the driver's selected range results in the following:

^ Movement of the shift control motor from one range to another.

^ Information to the driver through the Message Centre and H-Gate illumination.

CAUTION:
Range changes should be made with the vehicle stationary. It may be possible to change ranges with the vehicle traveling at a very slow speed, however this is not recommended.

To change range, reduce speed to below 5 mph (8 kph), move the gear lever across the H-Gate and wait in neutral for the light to stop flashing and the audible warning to stop. when the change has been completed, select a gear and drive away. If the vehicle is driving too fast or the lever is moved into gear before the range change has taken place, the range change will not occur and a message will be displayed on the Message Centre. By following the instructions displayed (e.g., "Slow Down" or "Select Neutral") the change will then take place.

Normally a shift will be completed in approximately 1-1/4 seconds with a current draw of 1-1/2 amps. If the shift is blocked or the motor is stalled against resistance, the TCU will make three attempts before timing out. The first attempt will last for two seconds, followed by a half second pause, followed by a one second attempt and a four second pause, then a final two second attempt. The TCU will not attempt any further range change until the ignition is cycled or the request is repeated by moving the shift lever across the H-Gate and back again.

Because one of the components in the system can affect another, it is important that the technician confirm that all the circuits between components are in good condition without any short or open circuits. Refer to the ETM for circuit details. Failed communication between ECUs can cause problems seemingly unrelated to the transfer gearbox control system (e.g., poor shifting and inoperative cruise control).

INTERFACE WITH OTHER SYSTEMS

The TCU interfaces with several other ECUs, ECMs and sensors. The general relationships between these components are outlined below.

GEMS

NOTE:
1995 MY vehicles do not have fault line communication between the TCU and the GEMS Control Unit and will not set codes.

1996 MY and later vehicles have the capability to determine faults with the transfer gearbox control systems and circuits.

On 1996 MY and later vehicles, three GEMS codes can be set by problems with the Transfer Gearbox Control System:

^ 1701-Transfer gearbox line fault.

^ 1703-Transfer gearbox line open circuit fault.

^ 1708-Transfer gearbox line short circuit fault.

GEMS stores a fault code when the fault line is activated. The MIL (Malfunction Indicator Lamp) is illuminated upon completion of two successive trips where a fault is recorded.

At ignition ON, the link between the TCU and the TCM is driven near ground, and then near battery voltage and stays there if no faults are present. If a fault is present, the line is driven near ground.

TCU READINESS CHECKS

When the transfer gearbox receives a range change request, the TCU carries out the following three checks:

NOTE:
Code 1701 will be set if any of these checks are failed.

Speed Sensor Check

The resistance of the speed sensor is checked. If the speed sensor is found to be open or short circuited, the fault output line is activated. If the speed sensor passes the resistance test, it will be used to determine the speed of the vehicle. The TCU compares this speed with a value stored in memory and decides if a range change is allowed. Presently the range change speed is set at five mph (8 kph) High to Low and Low to High.

Shift Control Motor Position Check

The TCU reads the position of the shift control motor as a binary code produced by the four shift control motor encoder switches. Given this information the TCU can determine the position of the shift control motor and where the motor should move to engage the requested range. If the shift control motor should move outside the normal range (i.e., Left of High) then the TCU can move the motor back to the requested position.

The TCU will attempt three times to move the shift control motor to High Range. If High Range position is not reached, the fault output line is activated.

Shift Control Motor Plausibility Check

As the shift control motor moves from one range to the next, the TCU monitors the signals from the four motor encoder switches. If a position is sensed that does not conform with the position expected, the motor stops and the fault output line is activated.

AUTOMATIC TRANSMISSION CONTROL MODULE (TCM)

The automatic transmission control module (TCM) receives a signal from the high range status line. If the transfer gearbox is in high range, the high range status line will read 0V to ground, near battery voltage in low range. The high range status line is also used to light the High (green) side of the H-gate and it will remain lit while the line is at OV. If the TCM does not receive the range information then an incorrect shift strategy will be selected, e.g., Manual rather than Sport in High Range and vice versa in Low Range. Because of the different shift strategies of High and Low range Economy, a poor shift pattern and quality can result.

BeCM

The TCU informs the BeCM, which then informs the Instrument Pack, about the range the vehicle is in using three status lines, high, low and neutral. The BeCM uses the high range status line to determine if cruise control can be activated. A shift between ranges is only possible when the transmission is in Park or Neutral. The TCU senses this from the Park/Neutral Position switch. This signal comes from the BeCM.

When a range change is requested, the desired range will flash on the display (e.g., "HIGH") and continue flashing until the range change is completed. When the range change is complete, the message will change to constant and be displayed for a few seconds.

If a range change is requested and not all of the conditions are satisfied, then the range message will flash and continue flashing until all of parameters are satisfied or the request is removed.

If the transfer gearbox neutral is selected (by inserting a fuse in BeCM fuse position F11), then, after a five second safety delay; the transfer gearbox shift control motor moves to neutral and the display shows "TRANSFER NEUTRAL".

BeCM Fuses

Fuses for the TCU- and shift control motor are located in the BeCM under the front passenger seat.

^ Fuse No.4 (30A) is the power feed for the TCU output drive circuits to drive the shift control motor.

^ Fuse No.6 (10a) is the ignition feed for the TCU.

Installing a fuse in position No. 11 will place the transfer gearbox in neutral.

REDESIGNED TCU





On vehicles built up to VIN VA372390 there have been a number of reports of TCU failure because of over-current protection problems. A redesigned TCU was introduced at VIN VA372390. It is identifiable by its large finned heat sink and features improved internal over-current protection. See Figure 2. It is unlikely that this TCU is the cause of shift problems, look closely at the wiring.