Curiosii for ever!: Car repair manuals for everyone.

Front Fender: Service and Repair




Wings [Fenders]

Remove

1. Disconnect battery negative lead.
2. Remove the headlamp surround.
3. Remove the front bumper assembly.
4. Remove the indicator repeater light.







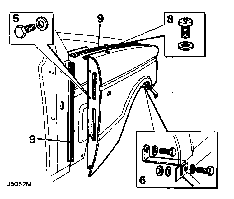
5. Remove the four screws securing the wing [tender] at the 'A' post.
6. Remove the bolts securing the bottom of the wing [fender] at the bumper retaining bracket and at the sill finisher.
7. If removing the RH wing [fender] loosen the radio aerial securing nut.
8. Remove the seven bolts from the drain channel in the top of the wing [fender].
9. Break the sealed joints at the valance and 'A' post; then complete the removal of the wing [fender]. If removing a RH wing withdraw the wing [fender] sufficiently to allow removal of the aerial before completing the removal.

Cleaning/painting
10. Thoroughly clean all traces of existing sealant from the sealing faces of the valance and 'A' post.
11. Paint the cleaned surfaces with etch primer.
12. If the existing wing [fender] is to be refitted repeat the cleaning and painting procedure on the wing [fender] sealing surfaces.

Refit
13. Apply 3M 8572 Bolted Panel Sealer to the joint faces on the valance and 'A' post and to the bracket face.
14. Refit the wing [fender], on RH wings [fenders] fit the radio aerial, and secure with the bolts and screws ensuring that the wing [fender] correctly aligns with the bonnet [hood].