Curiosii for ever!: Car repair manuals for everyone.

Overhaul


Wiper Motor

Service Repair No - 84.15.18


Dismantle
1. Remove wiper motor from vehicle.
2. Remove wiper motor gearbox cover.
3. Remove circlip and plain washer securing connecting rod.
4. Withdraw connecting rod.
5. Withdraw flat washer.
6. Remove circlip and washer securing shaft and gear.
7. Clean any burrs from gear shaft and withdraw gear.
8. Withdraw dished washer.
9. Add alignment marks to yoke and gearbox for reassembly.
10. Remove yoke securing bolts.
11. Withdraw yoke and armature.
12. Remove brush gear assembly.
13. Remove limit switch.

Inspection and test
14. Check brushes for excessive wear, if they are worn to 4.8 mm (0.21 in.) in length, fit a new brush gear assembly.
15. Using a push type gauge, check that brush spring pressure is 140 to 200 g, 5 to 7 oz when bottom of brush is level with bottom of slot in brush box. Fit a new brush gear assembly if springs are not satisfactory.
16. Test armature for insulation and open or short-circuits. Use a 110 V 15 W test lamp. Fit a new armature if faulty.
17. Examine gear wheel for damage or excessive wear.





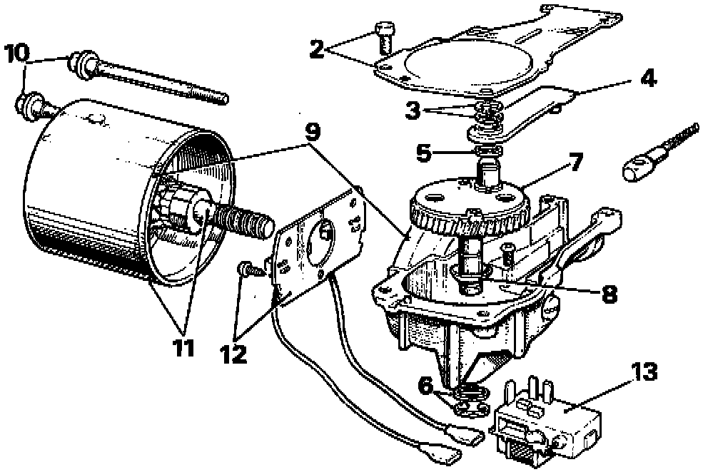
Key to wiper motor components
1. Flexible drive
2. Gearbox cover
3. Connecting-rod retaining washer and circlip
4. Connecting-rod
5. Flat washer
6. Gear shaft retaining washer and circlip
7. Drive gear
8. Dished washer
9. Alignment marks - yoke to body
10. Yoke securing bolts
11. Armature and yoke
12. Brush gear assembly
13. Limit switch

Assemble
Use Ragosine Listate Grease to lubricate gear wheel teeth, armature shaft worm gear, connecting rod and pin, cable rack and wheelbox gear wheels.

Use Shell Turbo 41 oil sparingly to lubricate bearing bushes, armature shaft bearing journals, gear wheel shaft and wheelbox spindles. Thoroughly soak felt washer in yoke bearing with oil.

18. Fit limit switch.
19. Fit brush gear assembly.





20. Fit armature and yoke to gearbox using alignment marks, secure with yoke retaining bolts tightening to 23 Nm, 17 lbf/ft. If a replacement armature is being fitted slacken thrust screw to provide end-float for fitting yoke.
21. Fit dished washer beneath gear wheel with concave side towards gear wheel.
22. Fit gear wheel to gearbox.
23. Secure gear wheel shaft with plain washer and circlip.
24. Fit larger flat washer over crankpin.
25. Fit connecting rod and secure with smaller plain washer and circlip.
26. Fit gearbox cover and secure with retaining screws.
27. Connect electrical leads between wiper motor and limit switch.
28. To adjust armature shaft end-float, hold yoke vertically with adjuster screw uppermost. Carefully screw in adjuster until resistance is felt, then back-off one quarter turn.