Curiosii for ever!: Car repair manuals for everyone.

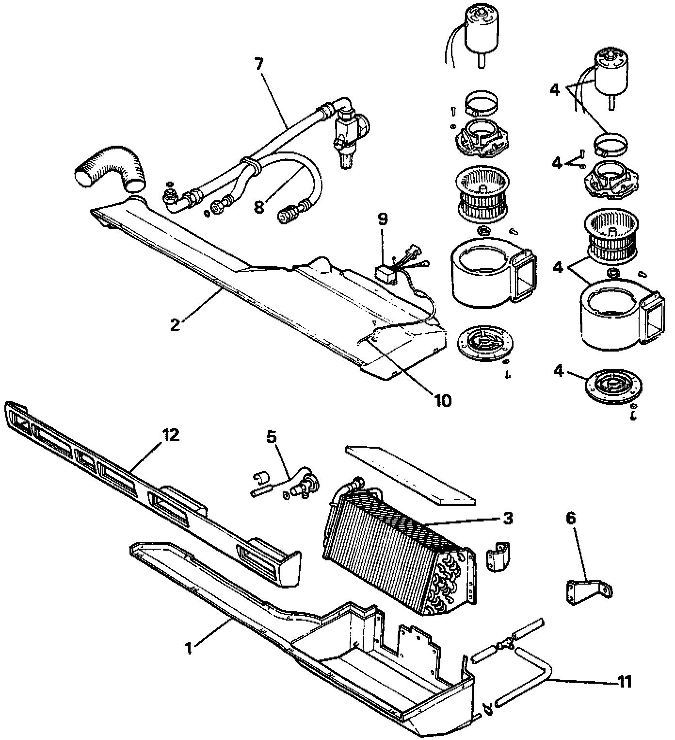
Evaporator Case

Evaporator Case Components:





EVAPORATOR CASE
1. Evaporator case lower
2. Evaporator case upper
3. Evaporator
4. Blower Assy
5. Expansion Valve
6. Mounting Bracket
7. Hose Assy Suction
8. Hose Assy Liquid
9. Thermostat
10. Thermistor Probe
11. Drain Hose Assy
12. Louvre Panel