Curiosii for ever!: Car repair manuals for everyone.

Automatic Transmission/Transaxle

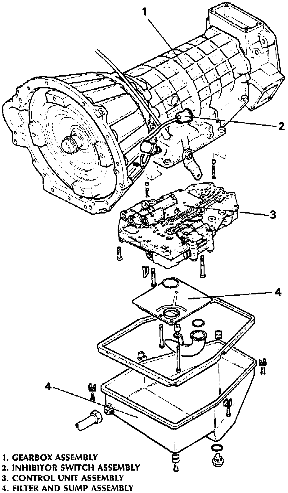
Transmission, Inhibitor Switch, Valve Body, Filter, Pan:





Transmission, Inhibitor Switch, Valve Body, Filter, Pan

Torque Converter, Oil Pump, Main Case, Governor, Extention Housing:





Torque Converter, Oil Pump, Main Case, Governor, Extention Housing

A & B Clutch Assemblies:





A & B Clutch Assemblies

C, C1, & D Clutch Assemblies:





C, C1, & D Clutch Assemblies

Freewheel & 4th Gear Assemblies:





Freewheel & 4th Gear Assemblies

E & F Clutch Assemblies:





E & F Clutch Assemblies