Curiosii for ever!
: Car repair manuals for everyone.
Home
>>
Kia
>>
2012
>>
Soul L4-2.0L
>>
Repair and Diagnosis
>>
Engine, Cooling and Exhaust
>>
Engine
>>
Intake Manifold
>>
Service and Repair
>>
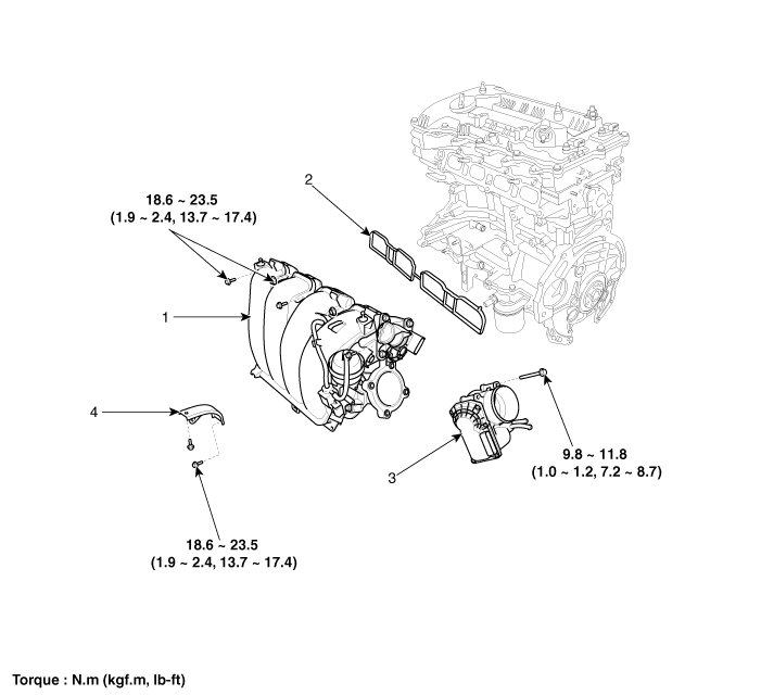
Components And Components Location
Components And Components Location
Components