Curiosii for ever!
: Car repair manuals for everyone.
Home
>>
Kia
>>
2012
>>
Rondo (CANADA) V6-2.7L
>>
Repair and Diagnosis
>>
Starting and Charging
>>
Charging System
>>
Alternator
>>
Service and Repair
>>
Removal and Replacement
>>
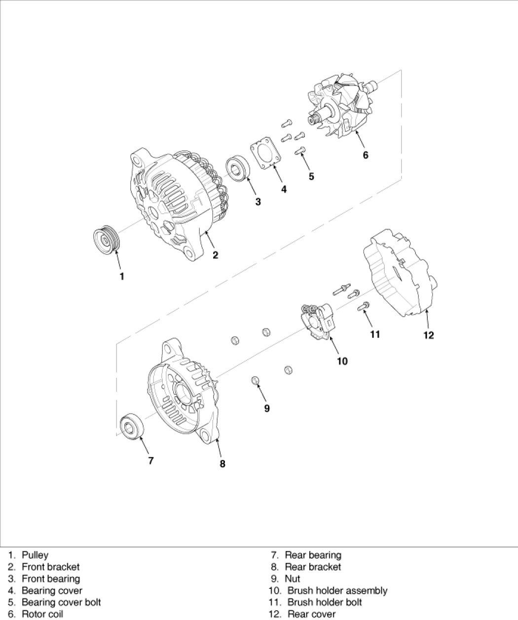
Components And Components Location
Components And Components Location
COMPONENTS