Curiosii for ever!
: Car repair manuals for everyone.
Home
>>
Kia
>>
2012
>>
Rondo (CANADA) L4-2.4L
>>
Repair and Diagnosis
>>
Heating and Air Conditioning
>>
Housing Assembly HVAC
>>
Service and Repair
>>
Components And Components Location
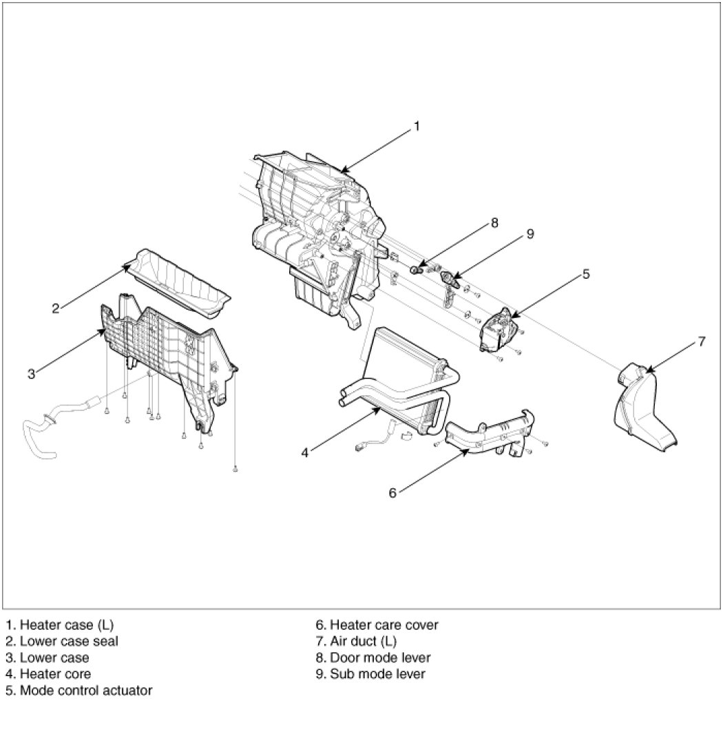
Components And Components Location
COMPONENTS