Curiosii for ever!
: Car repair manuals for everyone.
Home
>>
Kia
>>
2012
>>
Rio L4-1.6L
>>
Repair and Diagnosis
>>
Body and Frame
>>
Mirrors
>>
Power Mirror Switch
>>
Service and Repair
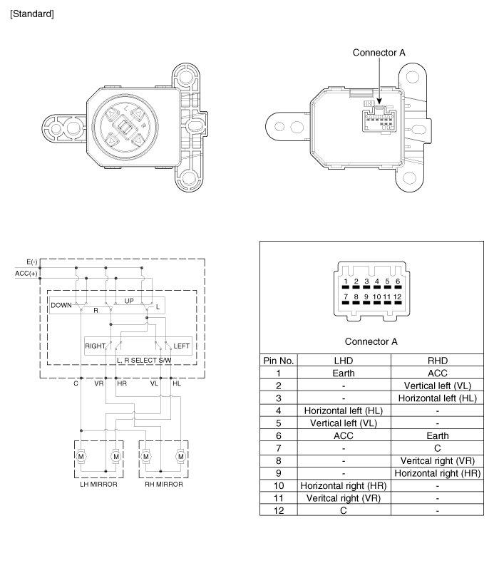
Power Mirror Switch: Service and Repair
Component