Curiosii for ever!
: Car repair manuals for everyone.
Home
>>
Kia
>>
2011
>>
Forte L4-2.4L
>>
Repair and Diagnosis
>>
Brakes and Traction Control
>>
Antilock Brakes / Traction Control Systems
>>
Wheel Speed Sensor
>>
Service and Repair
>>
Front Wheel Speed Sensor
>>
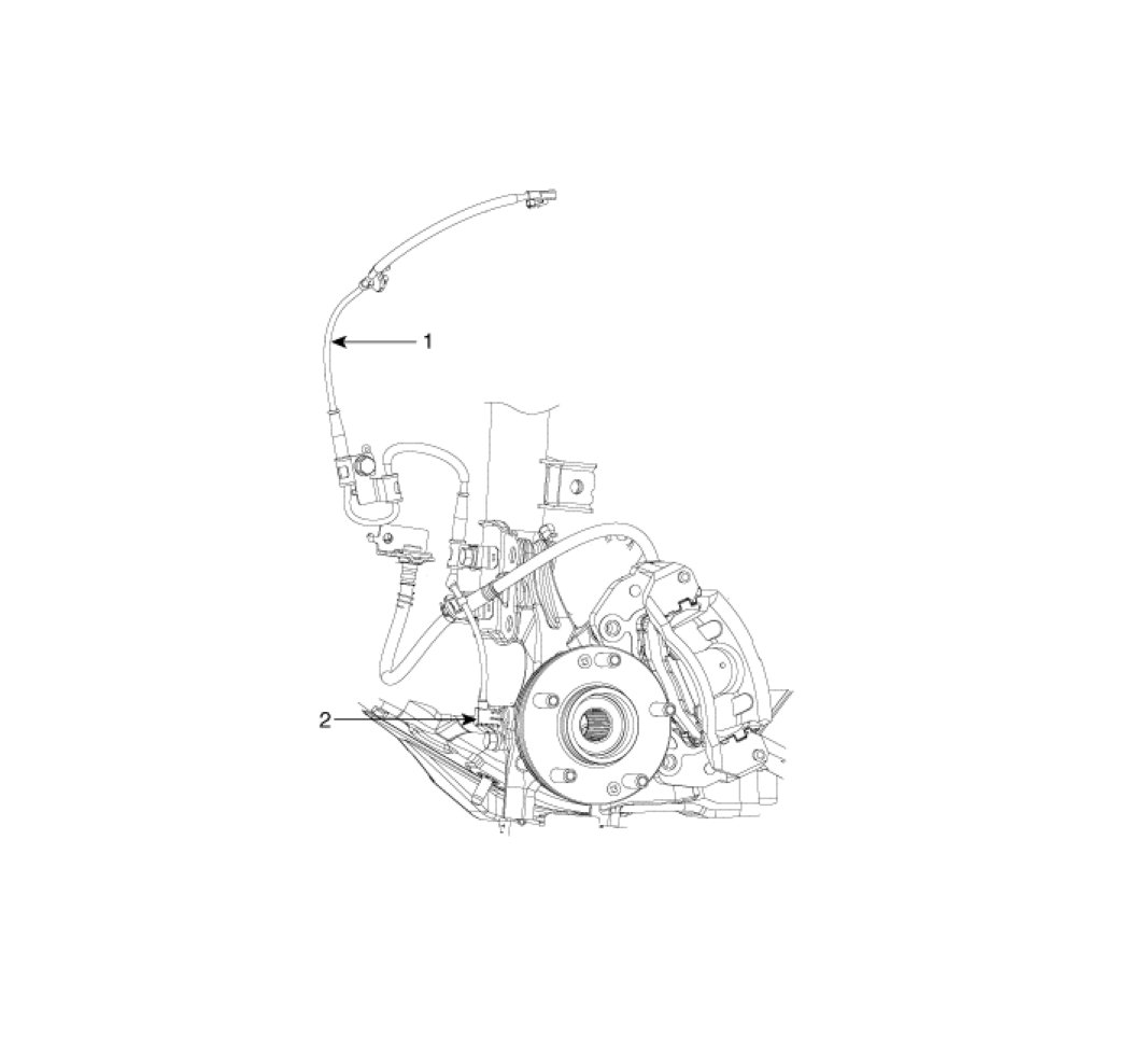
Components and Components Location
Components and Components Location
Components