Curiosii for ever!: Car repair manuals for everyone.

CVVT (Continuously Variable Valve Timing) System





Description




The CVVT (Continuously Variable Valve Timing) which is installed on the intake/ exhaust camshaft controls intake/ exhaust valve open and close timing in order to improve engine performance.
The intake/ exhaust valve timing is optimized by CVVT system depending on engine rpm.

This CVVT system improves fuel efficiency and reduces NOx emissions at all levels of engine speed, vehicle speed,and engine load by EGR effect because of valve over-lap optimization.

The CVVT changes the phase of the intake camshaft via oil pressure.It changes the intake valve timing continuously.














Operation

The CVVT system makes continuous intake/ Exhaust valve timing changes based on operating conditions.
Intake/ Exhaust valve timing is optimized to allow the engine to produce maximum power and reduce exhaust gas.
Reduces the cam advance at idle, stabilizes combustion, and reduces engine speed.
Intake valve timing is retarded and exhaust valve timing is advanced fully to reduce the idle rpm and stabilize the combustion at idle condition.
Exhaust valve timing is retarded at part load condition.
The exhaust valve is closed slowly to reduce the pumping loss and produce internal EGR effect.
So, Fuel economy is enhanced and HC is reduced.
If a malfunction occurs, the CVVT system control is disabled.The intake valve timing is fixed at the fully retarded position and the exhaust valve timing is fixed at the fully advanced position.




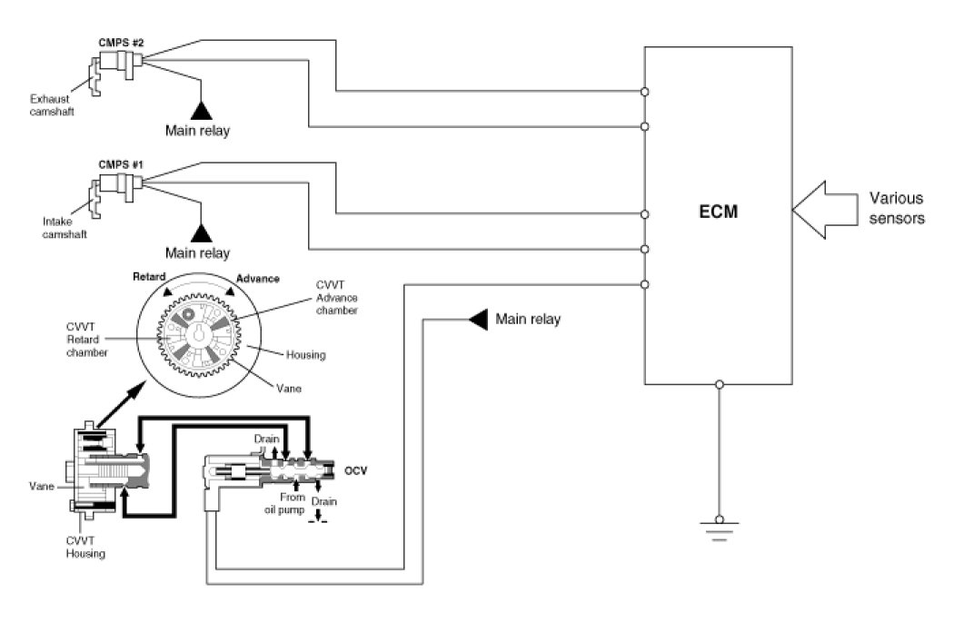
1. The above figure shows the relative operation structures of the housing vane to the rotor vane.
2. If the CVVT is held a certain control angle, to hold this state, oil is replenished as much as oil leaks from the oil pump.
The OCV (Oil-flow Control Valve) spool location at this time is as follows.
Oil pump -> Advance oil chamber (Little by little open the inflow side to the advance oil chamber) -> Almost close the drain side
Note that a difference may exist in the position according to the engine running state (rpm, oil temperature, and oil pressure).