Curiosii for ever!: Car repair manuals for everyone.

Passenger Compartment Cross Beam: Service and Repair





Replacement

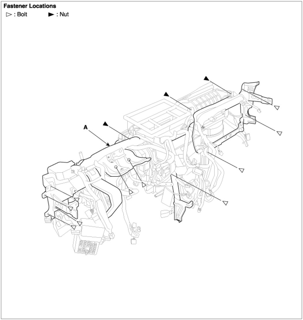
Cowl Cross Bar Assembly Replacement

NOTE:
- When prying with a flat-tipped screwdriver, wrap it with protective tape, and apply protective tape around the related parts, to prevent damaged.
- Put on gloves to protect your hands.

1. Remove the crash pad.
2. Remove the connectors.
3. Loosen the bolts and nuts, then remove cowl cross bar assembly (A).
4. Installation is the reverse of removal.

CAUTION:
- Make sure the crash pad fits onto the guide pins correctly.
- Before tightening the bolts, make sure the crash pad wire harnesses are not pinched.
- Make sure the connectors are plugged in properly, and the antenna lead is connected properly,
- Enter the anti-theft code for the radio, then enter the customer's radio station presets.