Curiosii for ever!
: Car repair manuals for everyone.
Home
>>
Kia
>>
2010
>>
Forte L4-2.4L
>>
Repair and Diagnosis
>>
Diagrams
>>
Electrical Diagrams
>>
Antilock Brakes / Traction Control Systems
>>
System Diagram
>>
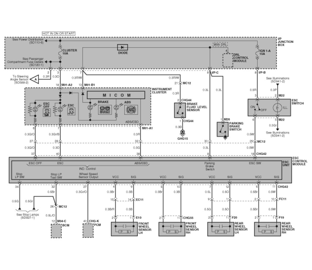
ESC (Electronic Stability Control) System
ESC (Electronic Stability Control) System
Circuit Diagram - ESC (1)
Circuit Diagram - ESC (2)