Curiosii for ever!: Car repair manuals for everyone.

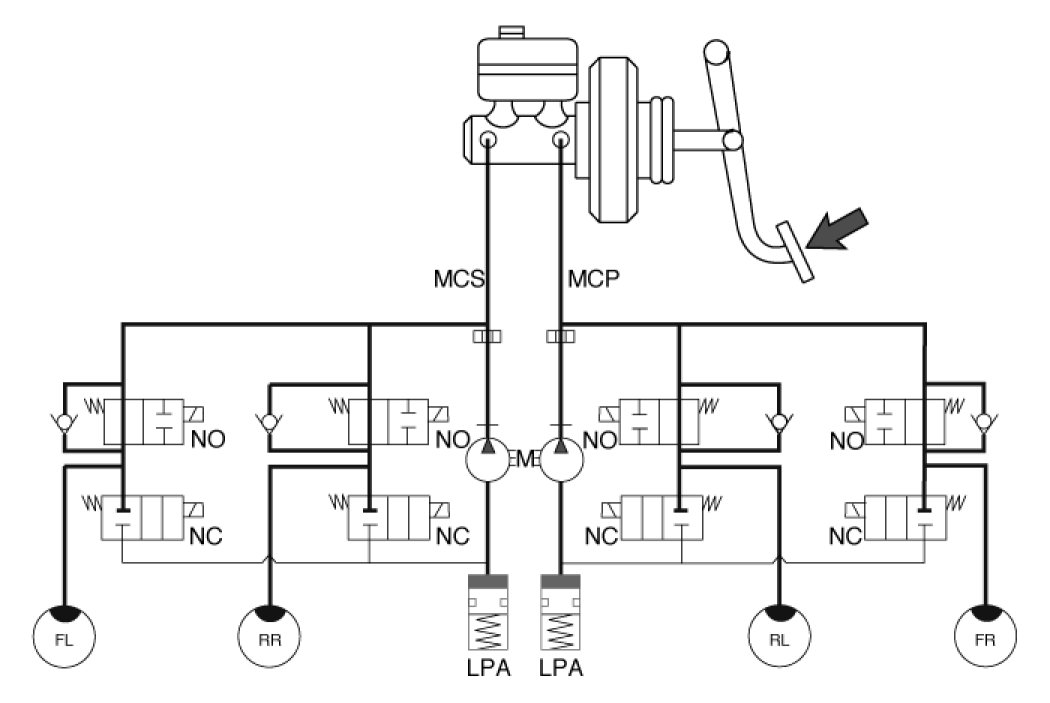
ABS Control





ABS Control

1. NORMAL BRAKING without ABS
Under the normal braking, voltage is not supplied to solenoid valve, inlet valve is opened and outlet valve is closed.When the brake is depressed, brake fluid is supplied to the wheel cylinder via solenoid valve to activate the brake.When the brake is released, brake fluid goes back to the master cylinder via inlet valve and check valve.









2. Dump Mode
Under the emergency braking, if the wheels start to lock up, HECU sends a signal to the solenoid valve to decrease the brake fluid, then voltage is supplied to each solenoid. At this time inlet valve is closed and brake fluid is blocked from the master cylinder. Conversely outlet valve is opened and brake fluid passes through wheel cylinder to reservoir, resulting in pressure decrease.









3. Hold Mode
When the brake fluid pressure is maximally decreased in wheel cylinder, HECU sends a signal to solenoid valve to keep the fluid pressure, voltage is supplied to inlet valve but it is not supplied to outlet valve. At this time inlet and outlet valves are closed and brake fluid is kept in wheel cylinder.









4. Increase Mode
If HECU determines there's no lock-up in the wheel, HECU cuts voltage to solenoid valve. So voltage is not supplied to each solenoid valve, brake fluid passes through the inlet valve to wheel cylinder, resulting in pressure increase.