Curiosii for ever!: Car repair manuals for everyone.

Driver Door Module





Description

Driver side power window switch, a component of CAN, performs CAN communication with BCM, seat ECU, tilt ECU, passenger side power window switch and PIC module, and it also performs LIN communication with switch module and safety ECU. Driver controls driver side power window switch button located inside of the driver side door to operate power window, mirror, door lock and unlock.
1. It performs 4 types of operation of manual up/down and automatic up/down operation for 4 power windows.
2. It performs manual operation of the mirror position by manual switch. (up/down and left/right)
3. It performs registration and replay of mirror position by the mirror switch up to 2 drivers.
4. It performs central door lock and unlock function
5. It loads trunk-opening signal on the BUS through the CAN communication.

Function

Power window control
1. This switch controls power window up/down, automatic up/down from driver side. Driver's power window switch sends input signal through CAN communication by the manual up/down and automatic up/down switch input. At the same time passenger side sends manual up/down and automatic up/down signals to the wires.
-> Each safety window ECU receives the signal and performs manual up/down and automatic up/down functions.
2. Power window lock
When the driver's power window lock switch is ON, each safety window ECU receives the power window lock command to prohibit the operation by the passenger side doors except the driver's door.




3. Timer function
Power window switch can be controlled for 30 seconds after the ignition is turned off. This function stops immediately even within 30 seconds if the front door is opened.

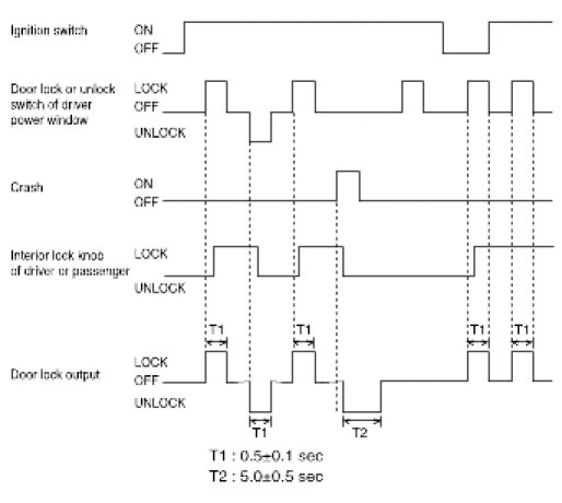
Central door lock/unlock
1. Door lock/unlock switch of the driver side power window controls lock and unlock of all doors. (However, it cannot be unlocked when BCM receives the boundary mode through CAN communication, and it cannot be locked until the ignition off in case of crash unlock.)
2. When the door is locked by the interior lock knob of the driver's (or passenger side door), all doors can be locked. (Though, unlocking is not feasible)
3. When locking or unlocking with the door key switch from driver side, all doors can be locked or unlocked.









Key reminder
1. If the door switch of driver side or passenger side is locked when door warning switch is turned on and (CAN communication reception), driver side or passenger side door is open, it executes unlock output for 1 second. If the passenger side door remains locked even after the unlock output, it repeats on and off 3 times with the time interval of 0.5 second.
2. If it is converted into unlock during the output of three times, it stops the output. (It stops the next trial)
3. If the door-warning switch turns off during the output of three times, it stops the output. (It stops the next trial)
4. If the door warning switch doesn't turn on when driver door or passenger door is open, or driver side door or passenger side door is locked, it outputs unlock command.
5. If the driver side or passenger side door is locked within 0.5 second after driver side or passenger side door is closed, it outputs unlock command for 1 second.
6. When the vehicle speed is over 1.9 - 3.1mph(3 - 5km/h) (CAN communication reception), key reminder does not operate.













Outside mirror control by the switch
1. Manual control of left outside mirror
If the mirror direction switch (up, down, left and right) is pressed when mirror selection switch on driver side power window switch is in outside LH under ACC ON condition, then mirror motor moves to the corresponding direction.




2. Manual control of right outside mirror
If the mirror direction switch (up, down, left and right) is pressed when mirror selection switch on driver side power window switch is in outside RH under ACC ON condition, then operating signal is sent to passenger side power window switch through CAN communication.

Outside mirror memory operation by the memory switch
1. If position switch (POS1 or POS2) is pressed within 5 seconds after pressing the memory switch under ignition 2 on, it registers current mirror position. (Switch module sends in LIN communication). (Memory permit status lasts for 5 seconds after memory switch ON. After 5 seconds, memory permits status terminates. In other words, current position is registered if the position switch (POS1 or POS2) is turned on, during the memory permit status). However, RH side mirror position is not registered during the LH side mirror manual switch operation.




2. Memory permit status is released if any of the following conditions is met.
A. After 5 seconds elapse from memory switch ON.
B. When the ignition 2 is OFF
C. When the memory stop switch is ON
D. When memory registration is complete
3. If more than 2 switches are pressed simultaneously between memory switch and position switches (POS1 or POS2), input is ignored. (Switch module sends in LIN communication)
4. Memory registration cannot be performed if the vehicle speed is over the speed limit or shift lever is not in "P" while the parking brake is released.
5. Memory is cleared if the battery is removed.

Outside mirror replay operation by the memory switch
1. Mirror is returned to the registered position as each position switch is pressed while the ignition 2 is ON.
2. Memory replay operation will be performed only if the memory is registered.(POS1 or POS2)
3. If the position switch (POS1 or POS2) is pressed while the memory replay is in operation, the final switch is effective.
4. Replay inhibit condition
A. When inhibit "P" switch is OFF
B. When the ignition 2 is OFF
C. When LH side mirror switch is pressed
D. When the vehicle speed is more than 3 km/h
E. When the memory STOP switch is turned ON

Outside mirror memory and replay operation by keyless
1. Memory operation
A. Outside mirror LH position is registered in the driver side power window switch when the ignition is turned off from on.
B. When door is locked by the keyless, outside mirror position is registered corresponding to the keyless code.
C. Data related to the memory operation is received from BCM in CAN communication.
2. Replay operation
A. When door is unlocked by the keyless under ignition off state, it replays the position corresponding to the keyless code.
B. Data related to the replay operation is received from BCM in CAN communication on CAN line.
3. Replay prohibit condition
A. When the inhibit "P" switch is OFF
B. When LH side mirror switch is pressed
C. When mirror switch is pressed after ignition on
D. When the vehicle speed is over 3km/h
E. When the memory stop switch is ON

Fail-safe function
1. If the position sensor shows no input change (driving for 5 seconds) above 60 mV while the motor is in operation, it automatically stops the operation judging that wire short, motor failure, or sensor failure.
2. Mirror drive signal cannot be outputted for more than 15 seconds in one direction. (In case of memory replay or manual switch operation)
3. Monitoring of replay execution time
A. If replay operation does not complete within 40 seconds from replay starting time, mirror motor stops the output and terminates the replay control.

Trunk open
When the trunk open switch is on, this data are loaded on the BUS through CAN communication.