Curiosii for ever!
: Car repair manuals for everyone.
Home
>>
Kia
>>
2007
>>
Rondo L4-2.4L
>>
Repair and Diagnosis
>>
Maintenance
>>
Hoses
>>
Coolant Line/Hose
>>
Service and Repair
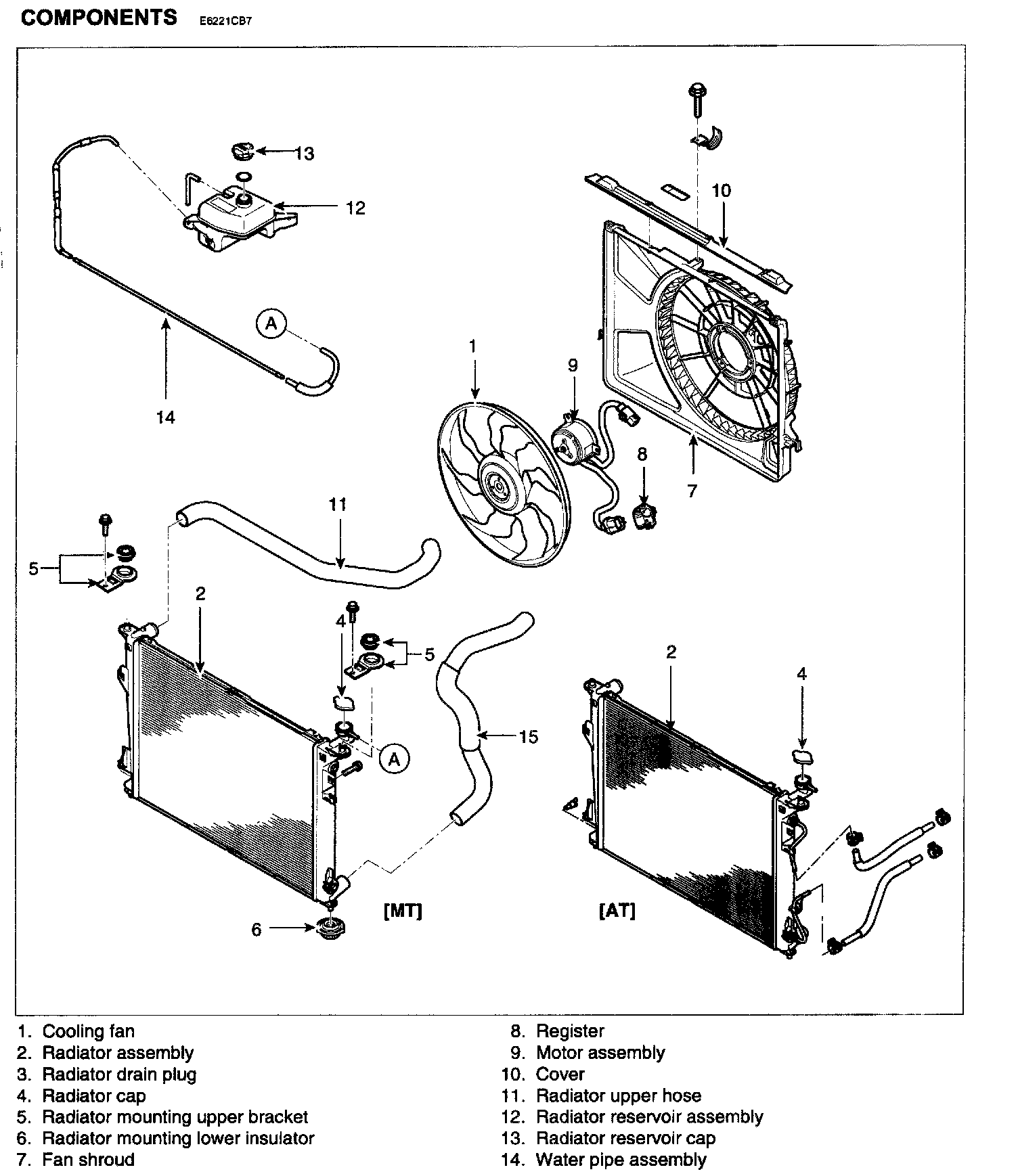
Coolant Line/Hose: Service and Repair
COMPONENTS
Components (Part 1):
Components (Part 2):