Curiosii for ever!
: Car repair manuals for everyone.
Home
>>
Kia
>>
2006
>>
Optima V6-2.7L VIN 4
>>
Repair and Diagnosis
>>
Powertrain Management
>>
Ignition System
>>
Ignition Coil
>>
Service and Repair
Ignition Coil: Service and Repair
REMOVAL
IGNITION COIL
1.
Remove the engine cover.
2.
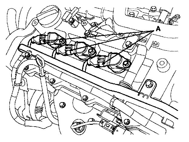
Remove the
ignition coil
connector (A).
3.
Remove the
ignition coil
.
4.
Installation is the reverse of removal.