Curiosii for ever!: Car repair manuals for everyone.

EGR Control Solenoid: Testing and Inspection

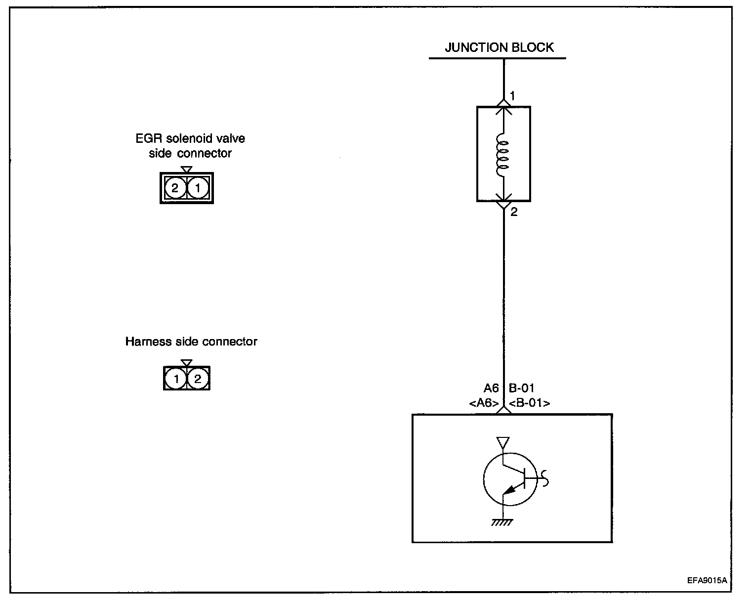
EGR SOLENOID VALVE
The EGR solenoid valve is a duty control type solenoid valve, which
controls EGR valve operating negative pressure to the throttle body a port.

Circuit Diagram <2.4 DOHC>:






TROUBLESHOOTING HINT
If the results of EGR solenoid valve on-vehicle and off-vehicle inspections are normal, but the diagnostic trouble code for EGR system failure is displayed, check the EGR valve, vacuum hose and EGR passage for blocking.

Using GST:






Harness Inspection Procedure: