Curiosii for ever!
: Car repair manuals for everyone.
Home
>>
Kia
>>
2006
>>
Amanti V6-3.5L
>>
Repair and Diagnosis
>>
Relays and Modules
>>
Relays and Modules - Restraints and Safety Systems
>>
Air Bag Control Module
>>
Locations
>>
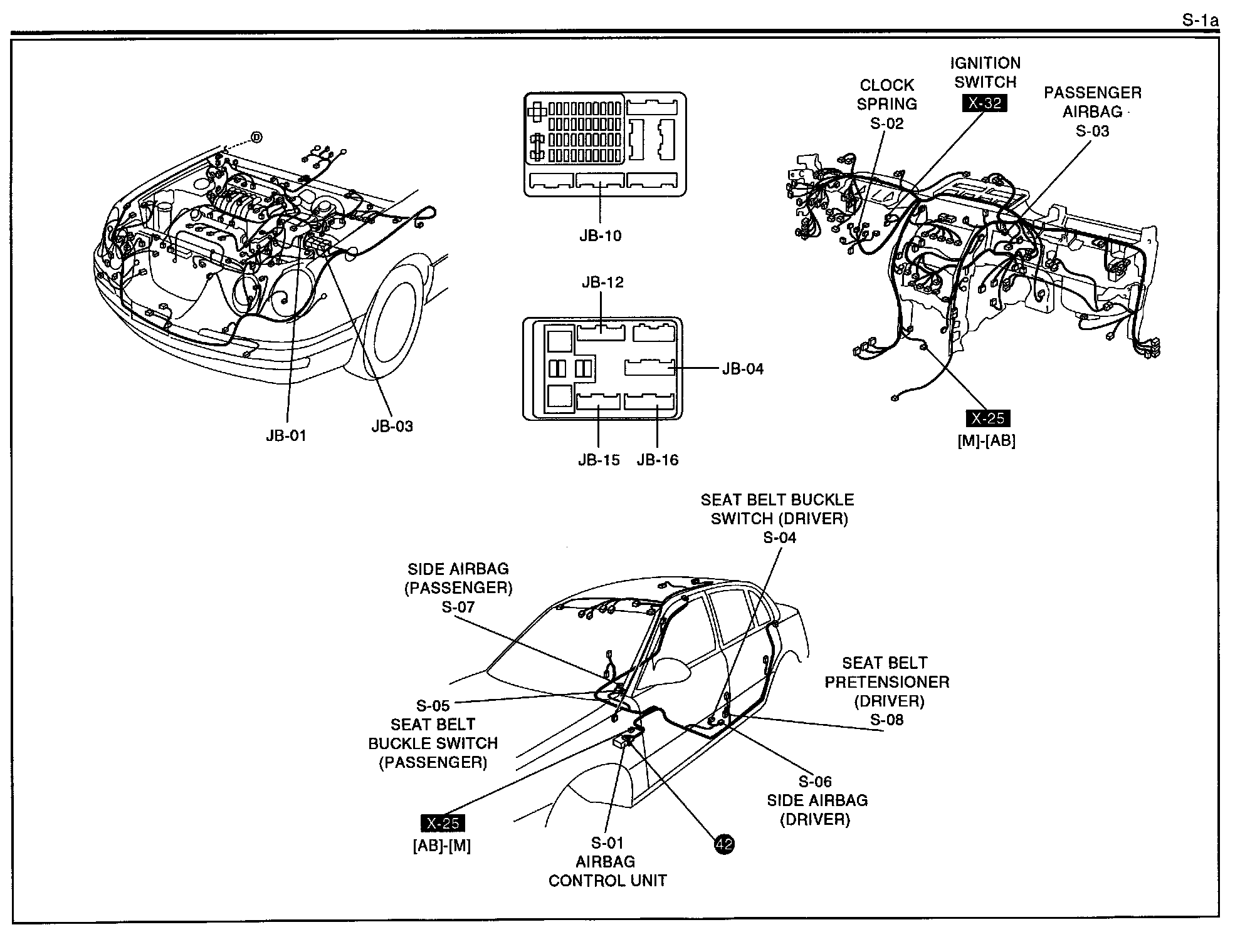
Connector Locations
Connector Locations
Routing View S-1a: