Curiosii for ever!
: Car repair manuals for everyone.
Home
>>
Kia
>>
2005
>>
Spectra5 L4-2.0L
>>
Repair and Diagnosis
>>
Heating and Air Conditioning
>>
Diagrams
>>
Electrical Diagrams
Electrical Diagrams
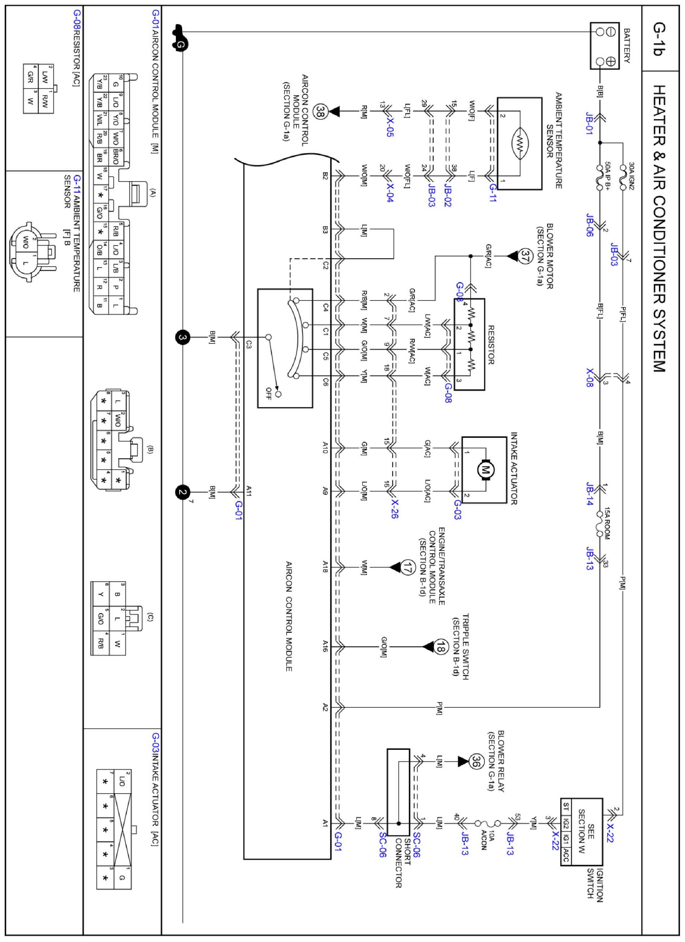
Heater & Air Conditioner System
Diagram G-1a:
Diagram G-1b: