Curiosii for ever!
: Car repair manuals for everyone.
Home
>>
Kia
>>
2005
>>
Spectra L4-2.0L
>>
Repair and Diagnosis
>>
Diagrams
>>
Electrical Diagrams
>>
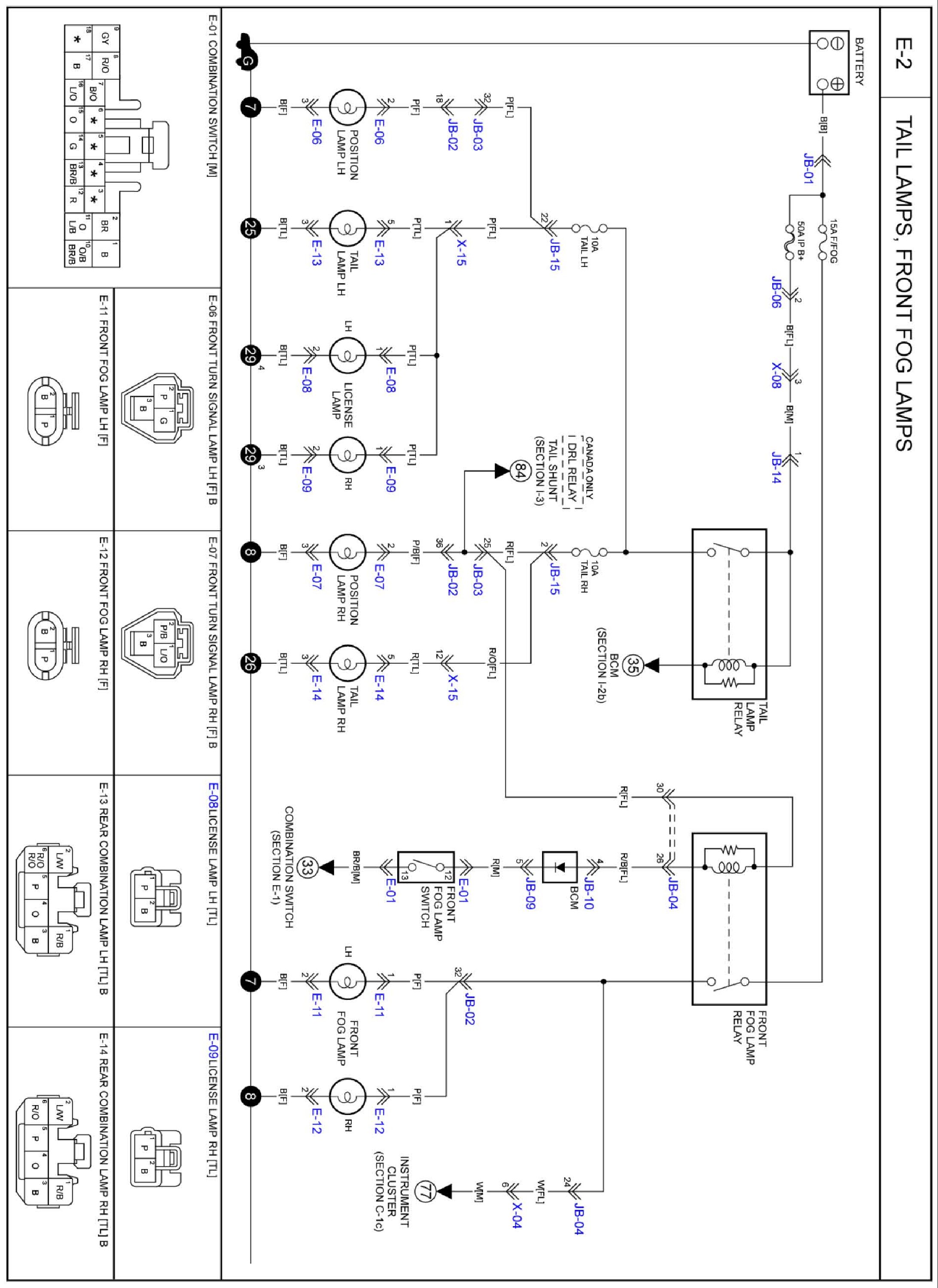
Fog/Driving Lamp
Fog/Driving Lamp
Tail Lamps
, Front Fog Lamps
Diagram E-2: