Curiosii for ever!
: Car repair manuals for everyone.
Home
>>
Kia
>>
2005
>>
Spectra L4-2.0L
>>
Repair and Diagnosis
>>
Diagrams
>>
Electrical Diagrams
>>
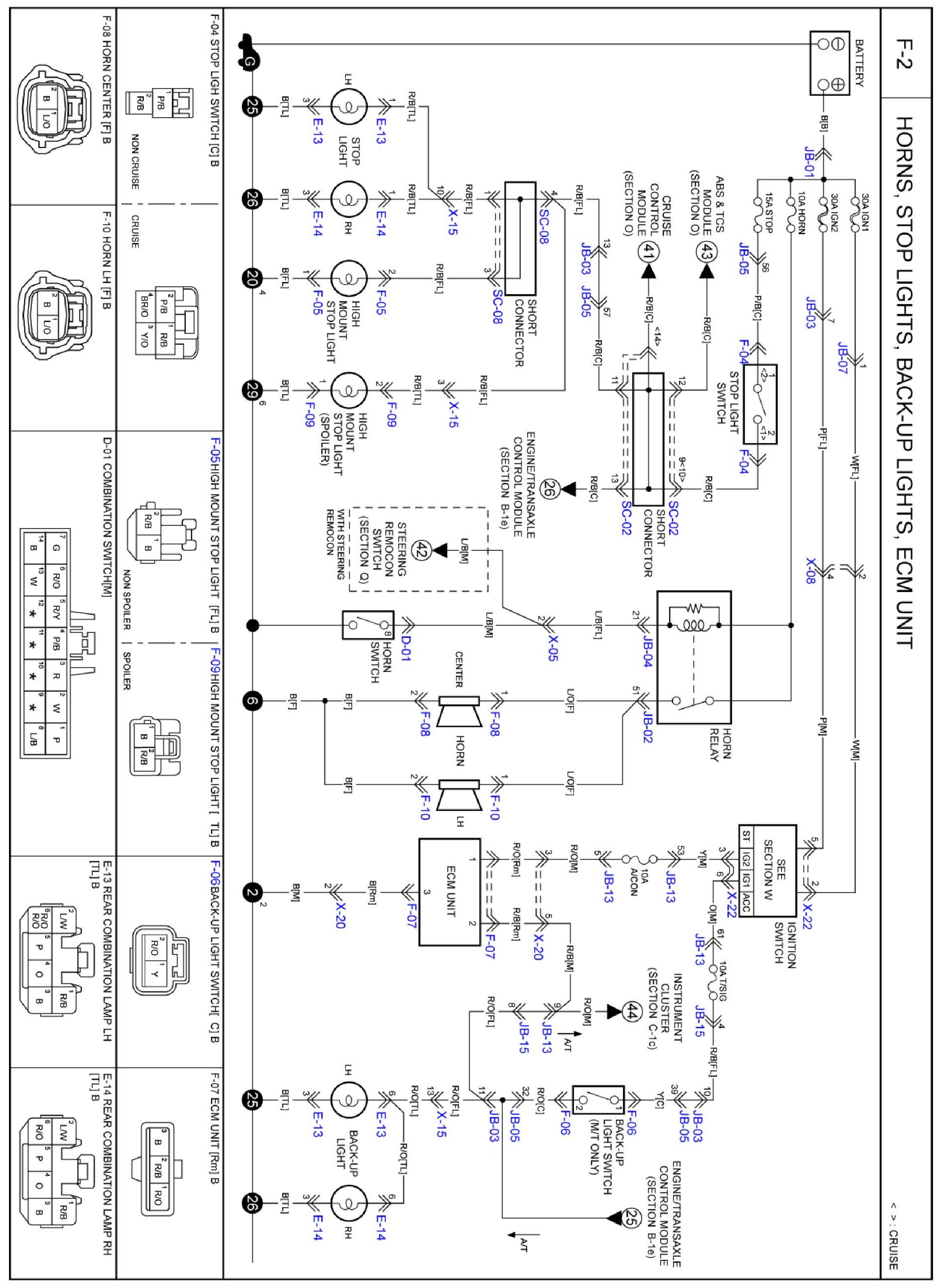
Backup Lamp
Backup Lamp
Horns, Stop Lights, Back-up Lights, ECM Unit
Diagram F-2: