Curiosii for ever!: Car repair manuals for everyone.

Disassembly

STARTER

DISASSEMBLY




1. Disconnect the M-terminal (A) on the magnet switch assembly (B).




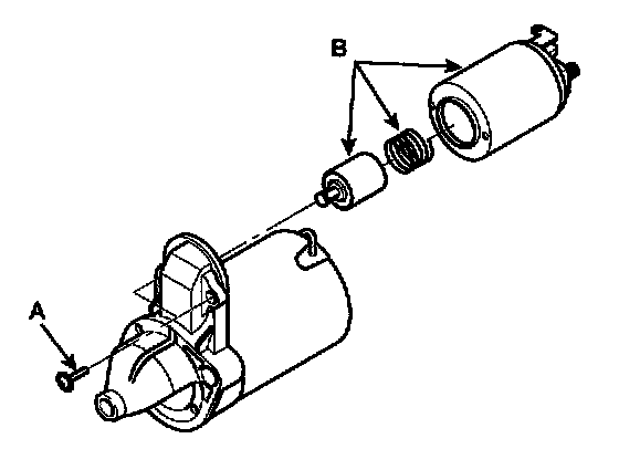
2. After loosening the 2 screws (A), detach the magnet switch assembly (B).




3. Loosen the brush holder mounting screw (A) and through bolts (B).




4. Remove the rear bracket (A) and brush holder assembly (B).




5. Remove the yoke (A) and armature (B).




6. Remove the, lever plate (A) and packing (B).




7. Remove the overrunning clutch (A) and lever (B).




8. Press the stop ring (A) using a socket (B).




9. After removing the stopper (A) using stopper pliers (B).




10. Remove the stopper (A), stop ring (B), overrunning clutch (C) and armature (D).
11. Reassembly is the reverse of disassembly.






NOTE: Using a suitable pulling tool (A), pull the overrunning clutch stop ring (B) over the stopper (C).