Electronic Brake Control Module: Service and Repair
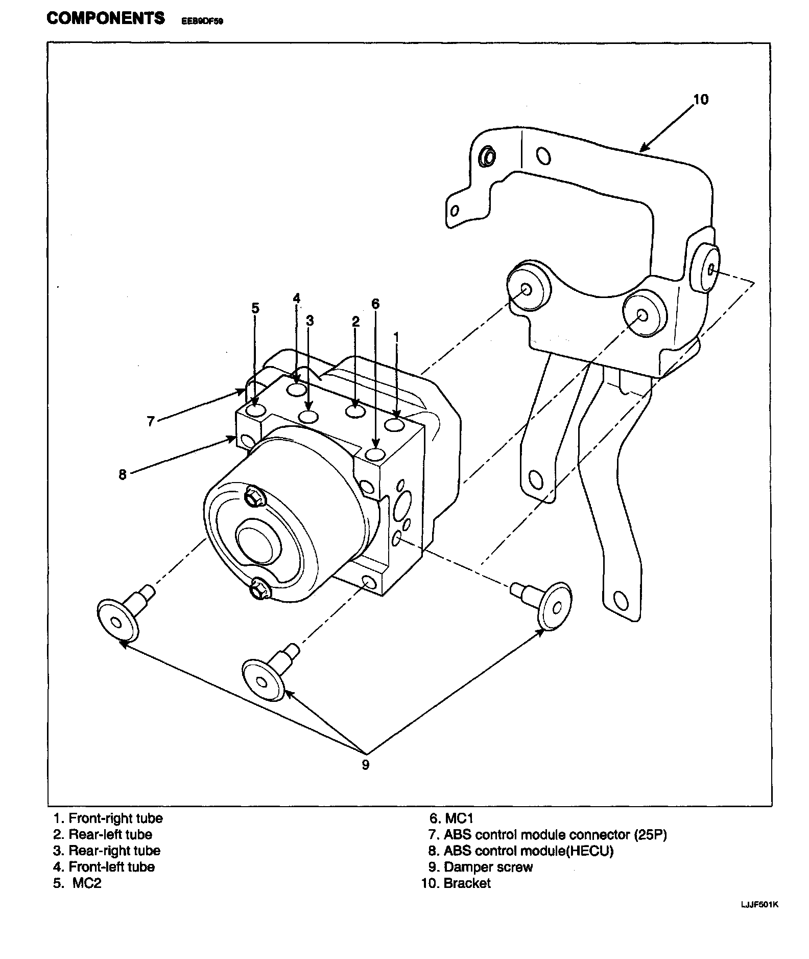
ANTI-LOCK BRAKING SYSTEM CONTROL MODULECOMPONENTS:
REMOVAL
1. Turn the ignition switch OFF.
2. Pull up the lock (A) of the ABS control unit 25P connector, then disconnect the connector.
3. Disconnect the brake tubes from the HECU by unlocking the nuts counterclockwise with a spanner.
4. Loosen the 3 ABS HECU bracket bolts (A) and 1 nut (B), then remove HECU and bracket.
CAUTION:
1. Never attempt to disassemble the HECU.
2. The HECU must be transported and stored in.
3. Never shock to the HECU.
5. Remove the 3 damper screws and washer, then remove the bracket.
INSTALLATION
1. Installation is the reverse of removal.
2. Tighten the HECU mounting bolts and brake tube nuts to the specified torque.
Tightening torque
HECU damper screw: 10.98 - 14.02 Nm (1.12 - 1.43 kgf.m, 8.1 - 10.34 ft. lbs.)
HECU bracket mounting bolt, nut: 7.85 - 9.8 Nm (0.8 - 1.0 kgf.m, 5.79 - 7.23 ft. lbs.)