Curiosii for ever!
: Car repair manuals for everyone.
Home
>>
Kia
>>
2005
>>
Rio L4-1.6L (JB)
>>
Repair and Diagnosis
>>
Power and Ground Distribution
>>
Power Distribution Relay
>>
Description and Operation
Power Distribution Relay: Description and Operation
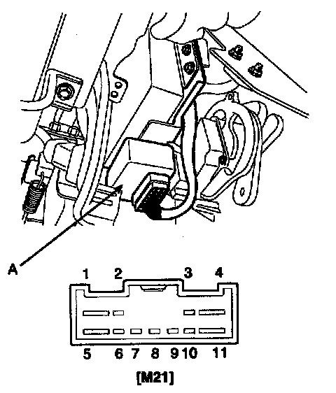
ICM (INTEGRATED CIRCUIT MODULE)
RELAY BOX
DESCRIPTION
The ICM is united with many kinds of relays and installed below the
body control module
.